快速报价;日本OMRON带灯按钮开关A3PA-5012

特点:
将微型设计与独特的软操作感结合。
容易从前面进行面板安装并且无需工具即可进行灯更换。
大型、有触感均匀的带灯设计。
• 采用背景光源,带灯均匀、美观。
• 考虑到通用设计,采用大型、有触感的冲程按钮。
• 即使单边按下,按钮也能平行动作的驱动构造。
• 配备有耐冲击操作的强缓冲构造。
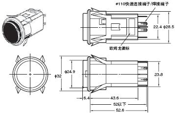
• 高为14.6mm的薄型机身。
良好的动作敏感度。
带均一亮度的良好照明。
三色型(绿色,橙色,红色,变色照明)包含于产品系列。
A3PJ (长方形)型
A3PA (方形)型
A3PT (圆形)型
快速报价;日本OMRON带灯按钮开关A3PA-5012