安沃驰五通换向阀接线尺寸,0820228101

三位五通换向阀, 系列 IS12, 型 2 - 0820228101
Qn = 2400 l/min底板连接压缩空气 接口 出口 按照标准ISO 5599-1制造的接地板
三位五通换向阀, 系列 IS12, 型 2
标准化 ISO 5599-1
尺寸 ISO 2
结构特点 滑阀,正重叠
外壳 聚酰胺
密封件材料 丙烯树胶
额定流量Qn 2400 l/min
压缩空气 接口 人口 按照标准ISO 5599-1制造的接地板
压缩空气 接口 出口 按照标准ISO 5599-1制造的接地板
结构特点 滑阀,正重叠
先导 外部的
组合原理(闭锁原理) 单重底板原理
密封原理 软密封
连接类型 底板连接
标准 ISO 5599-1, ISO 2
压缩空气连接 按照标准ISO 5599-1制造的接地板
压缩空气接口处的规格 按照标准ISO 5599-1制造的接地板
工作压力范围 -0,9 ... 10 bar
控制压力 小/ 2,8 ... 10 bar
介质温度范围 0 ... 80 °C
介质 压缩空气 5-4-4级 级6-4-3
颗粒大小 max. 5 µm
压缩空气中的含油量 0 ... 5 mg/m³
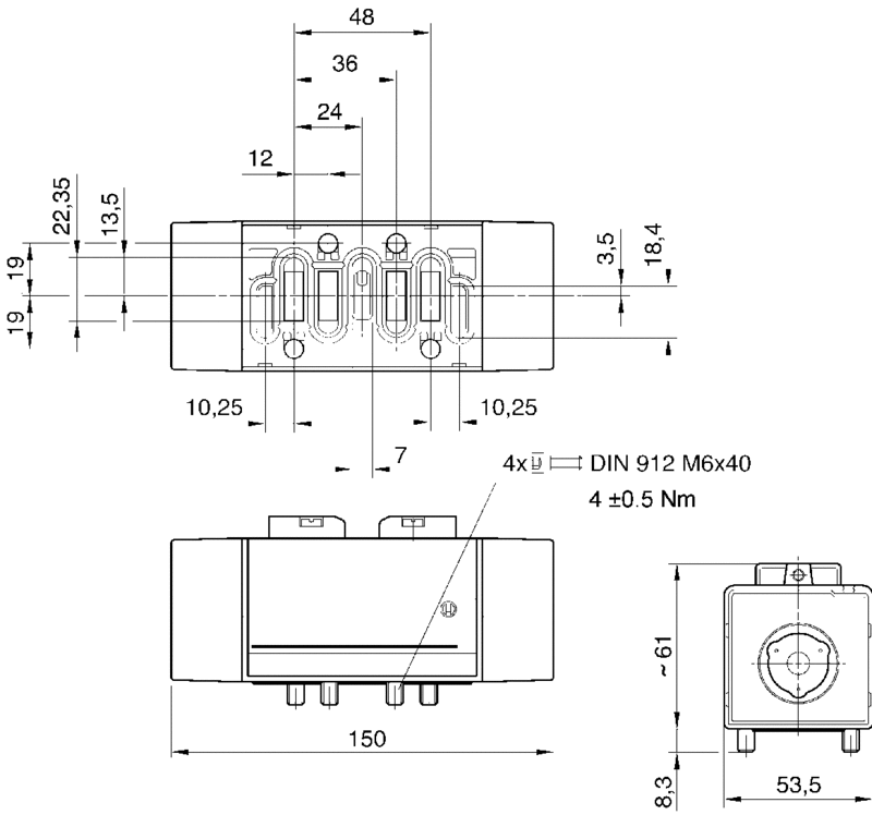
安装螺钉 M6 带有内六角
拧紧螺栓的小扭力 4 Nm
重量 0,51 kg
不可小控制压力,否则会导致故障电路和可能发生阀故障!
压力露点必须至少于环境和介质温度 15 °C ,并且允许 的高温度为 3 °C 。
压缩空气的油含量必须在整个使用寿命中保持不变。
只可使用经过 AVENTICS 公司许可的油。详细信息请参见文档“技术信息”(MediaCentre 中获取)。
外壳 聚酰胺
密封 丙烯树胶
正面板 聚酰胺
本产品的尺寸u

安沃驰五通换向阀接线尺寸,0820228101
021-39526589
网址:www.qiant.net
地 址:上海市嘉定区嘉涌路99弄
6号楼713室