
融合加速度传感器和陀螺仪(IMU)
补偿外部加速度
紧凑坚固的外壳
测量轴数量 1; (Z)
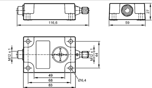
尺寸 [mm] 27 x 59 x 118.5
角度范围 [°] 0 ... 360
工作电压 [V] 9...30 DC
电流损耗 [mA] < 65; (9 ... 30 V DC)
绝缘电阻小值 [MΩ] 100; (500 V DC)
防护等级 III
反相保护 有
反相保护 有
测量/设定范围
测量原理 微机电系统电容式; (振动传感器 ; 陀螺仪)
测量轴数量 1; (Z)
角度范围 [°] 0 ... 360
测量范围加速度 [g] ± 4
汽车横摆率测量范围 [°/s] ± 500
精度/偏差
分辨率 [°] 0.01; (可设定参数)
迟滞 [°] 0.05
温度系数 [1/K] ≤ ± 0,008°
动态测量
度 [°] ± 0,5
静态测量
度 [°] ± 0,3
接口
通信接口 CAN
CAN接口数 1
协议 CANopen
出厂设置
波特率: 125 kBit/s
节点ID: 10
版本 CiA DS-410
环境温度 [°C] -40...85
存储温度 [°C] -40...85
外壳防护等级 IP 67; IP 68; IP 69K
/测试
EMC电磁兼容
DIN EN 61000-6-2
DIN EN 61000-6-4
抗冲击
DIN EN 60068-2-27
抗震
DIN EN 60068-2-6
MTTF [年] 260
机械技术数据
重量 [g] 211
尺寸 [mm] 27 x 59 x 118.5
原材料 外壳: 模压铸铝 黑色; 全密封结构: 聚氨酯树脂
显示器/操作件
显示
准备运作模式 1 LED, 绿色
运作模式 1 LED, 绿色 闪烁
故障 1 LED, 红色
附件
附件(附送)
保护盖: 2
注释
包装单位 1 件数
电气连接 - CAN-In
接插件: 1 x M12
产品图片

021-39526589
网址:www.qiant.net
地 址:上海市嘉定区嘉涌路99弄
6号楼713室