
为急停或终端位置限制等安全功能配备符
合DIN EN 60204-1/VDE 0113的安全开关
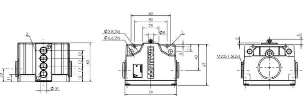
尺寸
79 x 60 x 63 mm
外壳材料
铝
开关位置数
4x滚子
规格
安全性DIN EN 60204-1
作用原理
1-4. 开关位置: 机械
持续电流
1-4. 开关位置: 6 A
测量工作电压Ue
1-4. 开关位置: 250 VAC
安装
垂直
起步方向
纵向,平行于螺栓连接面
起步速度
1-4. 开关位置: 60 m/min
开关位置距离
12 mm
1-4. 开关位置: 螺栓连接
-5...85 °C
IP67
开关过程由一根刚性挺杆触发,这根挺杆控制着带断开功能的机械
式开关元件。即使是焊接触点,其开关过程也能得到安全BZ。
可选择任意数量的安全开关点,搭配标准开关元件。
BNS 813-B04-R12-61-A-55-0667

021-39526589
网址:www.qiant.net
地 址:上海市嘉定区嘉涌路99弄
6号楼713室