预定,SMC双作用带锁气缸MDNBB80-100-D,MDNBB80-75-D

描述
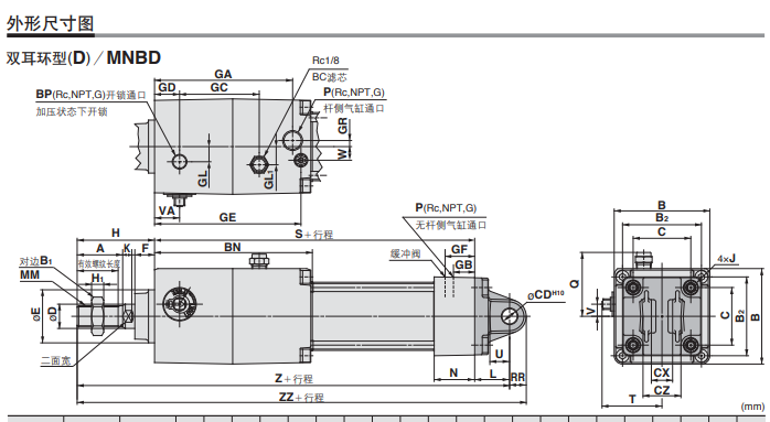
●适合中间停止及急停·落下防止用的锁紧气缸(双向锁紧)
●带磁性开关 (MDSNB系列: MDNB、MDNBW)
内置磁环 D 内置磁环
安装方式 B 基本型
缸径 80 缸径 80mm
通口螺纹的种类 - Rc
气缸行程 100 气缸行程 100mm
气缸追记号 - 无防护套
锁紧方向 D 双向
磁性开关型号 - 无磁性开关
磁性开关个数 - 2个 或 无
订制规格 - 标准
Port1 3/8
动作方式 单杆双作用
使用压力 0.08
使用压力 1.0
缓冲形式 气缓冲
环境温度 常温
作动速度 标准


预定,SMC双作用带锁气缸MDNBB80-100-D,MDNBB80-75-D