收藏SICK施克增量型编码器的资料

性能
每转的脉冲 4,096
测量步距 90° 每圈的电/脉冲
测量脉冲宽度偏差,“二进制”脉冲数 ± 0.008°
误差限值 ± 0.05°
初始化时间 40 ms
接口
通讯接口 增量式
通信接口详情 TTL / RS-422
信号通道数量 6 通道
连接类型 电缆, 8 芯, 通用, 5 m
工作电流 40 mA
功耗 ≤ 0.5 W (无负荷)
供电电压 10 V ... 32 V
负载电流 ≤ 30 mA
输出频率 ≤ 600 kHz
参考信号,数量 1
参考信号,位置 90°, 电气,与 A 和 B 进行逻辑连接
极性反接保护 ✔
输出端短路保护 ✔ 1)
MTTFd:危险故障间隔时间 300 年 (EN ISO 13849-1) 2)
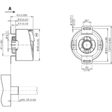
机械规格 通孔空心轴
轴直径 14 mm
重量 0.2 kg
材料、轴 金属
材料,法兰 铝
材料、外壳 压铸铝
启动转矩 0.8 Ncm (+20 °C)
工作转矩 0.6 Ncm (+20 °C)
允许静态/动态轴向轴位移 ± 0.5 mm / ± 0.2 mm
允许静态/动态径向轴位移 ± 0.3 mm / ± 0.1 mm
工作转速 ≤ 9,000 min⁻¹ 1)
转动惯量 40 gcm²
轴承使用寿命 3.6 x 10^10 转
角加速度 ≤ 500,000 rad/s²
1) 自发热为 3.3 K/1,000 rpm,设计工作温度范围时注意.
电磁兼容性 根据 EN 61000-6-2 和 EN 61000-6-3
外壳防护等级
IP65, 外壳侧,电缆出线口 (根据 IEC 60529 标准
IP65, 轴侧 (根据 IEC 60529 标准)
允许相对湿度 90 % (光学扫描元件不允许冷凝)
运行温度范围
–40 °C ... +100 °C 1)
–30 °C ... +100 °C 2)
储存温度范围 –40 °C ... +100 °C, 无包装
抗冲击能力 70 g, 6 ms (根据 EN 60068-2-27)
抗振能力 30 g, 10 Hz ... 2,000 Hz (根据 EN 60068-2-6)
收藏SICK施克增量型编码器的资料
021-39526589
网址:www.qiant.net
地 址:上海市嘉定区嘉涌路99弄
6号楼713室