
产品型号:
1057557 SFS60-HPKT4K02
1057855 SFS60-HKKB0K02
1058024 SFS60-HPKT4S01
1059826 SFS60-HNBT0K02
1060326 SFS60-HRAB0K02
传感器原理/ 检测原理 漫反射光电传感器, 背景抑制功能
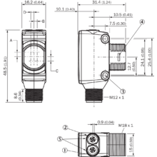
尺寸(宽 x 高 x 深) 16.2 mm x 48.5 mm x 31.8 mm
外壳形状(光束出口) 复合安装
螺丝直径(外壳) M18
紧固方式 M18,接头/侧面 (24 … 24,5 mm)
外壳颜色 蓝色
*大开关距离 30 mm ... 300 mm 1)
感应距离 30 mm ... 250 mm 2)
光源种类 可见红光
光源 激光 3) 4)
光点尺寸(距离) 2 mm (120 mm)
轴长 655 nm
激光等级 I
设置
电位计,右 无
电位计,左 无
特殊应用 检测小型物体
特殊特征 预设触发感应距离:200 mm
机械/电子参数
供电电压 10 V DC ... 30 V DC
残余纹波 < 5 Vss 1)
电流消耗 20 mA 2)
开关量输出 PNP
开关功能 补偿量
开关类型 明/暗切换
开关量输出详情
开关量输出 Q1 PNP, 亮通
开关量输出 Q2 PNP, 暗通
输出电流 Imax. ≤ 100 mA
响应时间 ≤ 0.5 ms 3)
开关频率 1,000 Hz 4)
连接类型 插头,M12,4 针
保护电路 A, B, D 5) 6) 7)
防护等级 III 8)
重量 18 g
外壳材料 塑料, VISTAL®
材料、光学元件 塑料, PMMA
外壳防护等级 IP67, IP69K
供货范围 固定螺母 M18
021-39526589
网址:www.qiant.net
地 址:上海市嘉定区嘉涌路99弄
6号楼713室