
通用增量式编码器 RHI58N-*******1
工业标准外壳 ∅58 mm
*高 5000 ppr
空心轴
10 V ...30 V,具有带短路保护的推挽输出
通用规格
检测类型 光电采样
脉冲计数 *大 5000
功能性安全相关参数
MTTFd 140 a
任务时间 (TM) 20 a
L10 70 E+9 在转速为 6000 rpm 时
诊断覆盖率 (DC) 0 %
电气技术规格
工作电压 10 ... 30 V DC
空载电流 *大 60 mA
输出
输出类型 推挽式,增量式
电压降 < 3 V
负载电流 *大值/通道 40 mA ,短路保护,反极性保护
输出频率 *大 200 kHz
上升时间 400 ns
连接
电缆 ∅7.8 mm,6 x 2 x 0.14 mm2,1 m
符合标准
防护等级 DIN EN 60529,IP54
气候测试 DIN EN 60068-2-78 ,无冷凝
发射干扰 EN 61000-6-4:2007/A1:2011
抗扰度 EN 61000-6-2:2005
耐冲击性 DIN EN 60068-2-27,100 g,3 ms
抗振性 DIN EN 60068-2-6,10 g,10 ... 2000 Hz
和证书
UL cULus ,一般用途,2 类电源
环境条件
玻璃圆盘 -5 ... 80 °C (23 ... 176 °F) ,可移动缆线
-20 ...80 °C (-4 ...176 °F),固定缆线
塑料盘 -5 ... 60 °C (23 ... 140 °F) ,可移动缆线
-20 ...60 °C (-4 ...140 °F),固定缆线
存储温度
玻璃圆盘 -40 ... 85 °C (-40 ... 185 °F)
塑料盘 -40 ... 70 °C (-40 ... 158 °F)
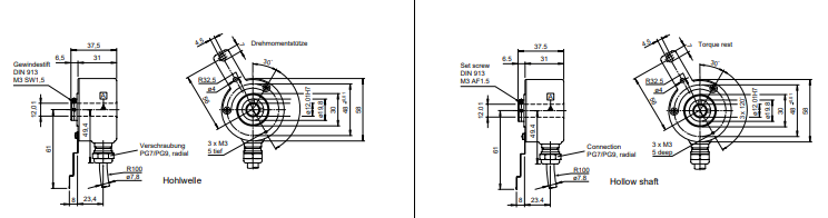
机械规格
材料
外壳 铝粉末涂层
法兰 3.1645 铝
轴 不锈钢 1.4305 / AISI 303
质量 大约 290 g
旋转速度 *大 6000 min -1
惯性力矩 ≤ 40 gcm2
起始扭矩 ≤ 1,5 Ncm
轴负载
角度偏移 1 °
轴向偏移 *大 1 mm
产品图片

增量式编码器
*对值编码器
此外,由于当前位置值直接可用,在机器接通时或电源故障后无需再执行参考运行。并行*对值编码器通过多条并行线将位置值传输到分析电子装置。串行*对值编码器通过标准化接口和协议传输其输出数据。
过去,通常要为串行数据传输建立点对点连接,但现在现场总线系统的使用频率更高。
接口:
Pepperl+Fuchs 旋转编码器产品组合涵盖了当前市场上*对值编码器所使用的*丰富的接口。
适用于危险区域的防火或本征安全型旋转编码器
021-39526589
网址:www.qiant.net
地 址:上海市嘉定区嘉涌路99弄
6号楼713室