选用0820212201,安沃驰传感器YS

产品简介
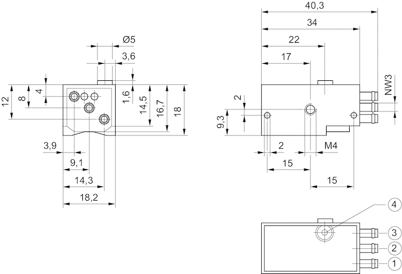
气动 传感器, 系列 SP1 - 0820212201
Qn 40 l/min安装位置 任意
气动 传感器, 系列 SP1
E92.gif
外壳 聚酰胺
额定流量Qn 40 l/min
技术信息
安装位置 任意
工作压力范围 2 ... 6 bar
* / *高环境温度 -15 ... 60 °C
介质 压缩空气
颗粒大小 max. 40 µm
开关点精度 ±0,2 mT
切换时间 接通 12 ms
切换时间 断开 25 ms
重量 0,015 kg
材料
外壳 聚酰胺
产品的详细规格说明



选用0820212201,安沃驰传感器YS