介绍CAMOZZI产品 ,CST,CSV和CSH系列磁性接近开关
可装于不同类型磁传气缸上
CST, CSV, CSH 三种形式,满足所有磁传气缸
可供带或不带 M8 连接插头


.
CST, CSV 和 CSH 系列磁性接近开关可以指示磁传气缸的活塞位置。
当磁性接近开关内部的触点被气缸活塞磁铁形成的磁场所激励时,
磁性接近开关便组成一个电路,并且输出电信号,
传送给电磁阀或 PLC,
同时黄色的发光二极管(LED)点亮。
两种不同类型的磁性接近开关可供选择:簧片式和电子式。
簧片式磁性接近开关即机械式,适
合大多数的应用;
电子式可使用在开关动作频繁或有剧烈晃动的情况下。

.
综合参数
可装于不同类型磁传气缸上
CST, CSV, CSH 三种形式,满
足所有磁传气缸
可供带或不带 M8 连接插头
型号CST-... / CSV-... / CSH-...
工作方式簧片式,电子式
输出形式二线制,三线制(PNP 或 NPN * )
触点形式NO(常开),NC *(常闭)
电压见相关型号技术参数
大电流见相关型号技术参数
大负载簧片式 8W DC / 10VA AC
电子式 6W DC
防护等级IP 67
材料环氧树脂封装基体,PVC、PUR 塑料护套多芯导线
安装方式直接安装在缸筒上相应的槽内或通过固定架安装
信号显示黄色发光二极管(LED)
电气保护见相关型号技术参数
动作时间簧片式小于 1.8 ms
电子式小于 1 ms
工作温度-10 ÷ 80°C
电持续性簧片式 10,000,000 循环
电子式 10,000,000,000 循环
电气连接2x0.14 导线(2m)
3x0.14 导线(2m)
M8 插头(导线长 0.3 m)

.
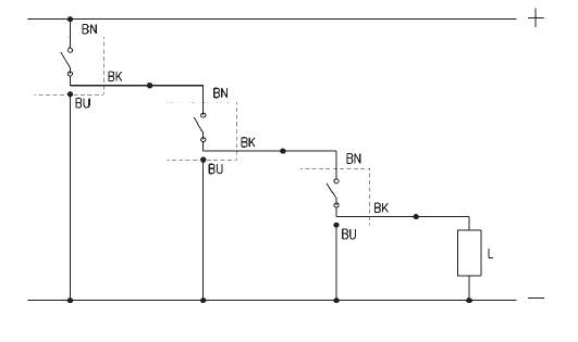
串联连接线路图
三线制的簧片式磁性接近开关因开关本身不会产生压降,允许若
干个磁性接近开关串联连接(见右面线路图)。
注:这个压降对于二线制的簧片式磁性接近开关而言是 2.8 V,
而对于电子式磁性接近开关而言是 1 V。
BN = 棕色
BU = 蓝色
BK = 黑色

.
正确使用磁性接近开关的要点
磁性接近开关(内装有一个充有稀有气体的玻璃泡舌簧开关)
的触头由导磁材料(镍-铁)制成,
它们是有韧性的,其触点镀有优良的不起弧材料。
磁性接近开关的闭合是利用气缸内活塞上的永磁铁形成的适当磁场来实现的。
对于常开型的磁性接近开关,
当受到磁场影响时,它们将电路闭合;
而对于常闭型的磁性接近开关,
当受到磁场影响时,他们将电路断开。
下面以常开为例进行介绍:
对应于磁性活塞的磁性接近开关工作区域见右图所示。
图中的 b 表示舌簧开关的被接通和脱开、
活塞所移动的距离,称为动作范围。
当活塞的磁环运动到使开关脱开的位置时,
再反向运动,又使得开关接通,
此时活塞反向移动的距离为 H,称为工作迟滞,
不同系列和缸径的气缸具有不同的 b 和 H 值。
每个气缸的允许大速度是 b 值以及连接于磁性接近开关后
面的各种元件的反应时间的函数。
使用磁性接近开关时,气缸活塞移动的大允许速度可用以
下公式计算:b / t = 大速度(m/s)
其中:b = 舌簧接通时活塞的行程(mm,见表)
t = 电控元件与磁性接近开关连接后的反应时间(ms)

介绍CAMOZZI产品 ,CST,CSV和CSH系列磁性接近开关
021-39526589
网址:www.qiant.net
地 址:上海市嘉定区嘉涌路99弄
6号楼713室