型号:21LIKIT25,意大利ODE不锈钢两位两通电磁阀

YS型号:
21A3ZV20D 21A2KV30 21H11KV120 21H14KV250
21A3KV20 21A2KV45 21W1KB120 21HT6K0Y250
21A3KV25 21A2KV55 21W1ZV120 21HT6KOY250-S
21A3KV30 21A2KCV30-05 21WA3KOB130 21W4KB250 BDF
21A3KV45 21A2KCV55-01 21WA3KOV130 R21W4KB250 BDP
21A3ZV30D 21A2KCV15-10 21WA3ROB130 21W4KE250
21JNIROV12 21A2KCV25-08 21WA3ZOV130 R21W4KE250
21JN1ROV23 21A2KCV45-1X 21WA3ROV130-AD 21W4KV250
21T1BV17-F 21A2KCV45 21Y1KT120 R21W4KV250
21T1BB22-F 21D62KRS90-L PW3KV120-T 21W4ZB250
使用介质:软化水、蒸汽、糖浆、可与不锈钢兼容的化工产品
密封材料:聚四氟乙烯(PTFE)
工作压力 : 0 ~14bar (AC bar/8W)
0 ~30bar (AC bar/14W)
0 ~9bar (DC bar/8W)
0 ~25bar (DC bar/14W)
流体温度: -40℃ ~ 180℃
阀体材质:不锈钢
电源电压:直流DC12V-24V-48V-110V
交流AC24V-110V-220V
高室内温度:80℃
连续工作:ED
线 圈:8W-Φ13
BDA-BDS-BSA 155℃(classF)
BDP 160℃(高温)
BDF 180℃(classH)
14W-Φ13
GDH 180℃(classH)
意大利ODE直动膜片式电磁阀-21L1K1T25图片:

21L1K1T25进口电磁阀参数:
| 阀接口口径ISO 228/1 | 型号 | 大介质粘度 | 通径mm | 流动系数(1/mn) | 线圈功率(watt) | 压力 | |||
| cSt | °E | min | max M.O.P.D. | ||||||
| bar | AC bar | DC bar | |||||||
| G1/8〃 | 21L1K1T25 | – | – | 2,5 | 3,2 | 8 | 0 | 14 | 9 |
| 14 | 30 | 25 | |||||||
| 21L1K1T30 | 3 | 4,0 | 8 | 10 | 6 | ||||
| 14 | 25 | 20 | |||||||
| 21L1K1T40 | 4 | 5,0 | 8 | 6 | 1,7 | ||||
| 14 | 15 | 8 | |||||||
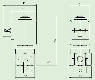
意大利ODE电磁阀-21L1K1T25不锈钢电磁阀外型尺寸:


型号:21LIKIT25,意大利ODE不锈钢两位两通电磁阀
021-39526589
网址:www.qiant.net
地 址:上海市嘉定区嘉涌路99弄
6号楼713室