售6041819施克圆柱形光电传感器,VL180-2P42431

描述
是否提供加工定制:是 结构类型: 放大器内藏型
检测方式: 漫反射式 电源电压: 10-30(V)
输出方式: NPN PNP 产品: CE
高亮LED红光光源,易于对准
提供漫反(1100mm)/镜反(7m)/对射(28m)工作方式
提供轴向、径向两种出光方式,安装方便灵活
提供优异的背景遮蔽功能,轴向出光1mm ~ 450mm /径向出光1mm ~ 500mm
- 高效的操作满足客户不同环境的需求.
一键锁定功能
- 预防操作人员误操作带来的停机及误检测
Delta-S 技术
- 不同颜色,材质,透明度均可同平台对比识别粗糙程度
270度灵敏度调节旋钮 ,设置调节过程快速稳定
360度可见高亮LED信号灯,确保监控方便
可提供塑料或金属外壳和IP67防护等级,适用于恶劣环境
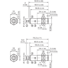
标准长度的通用型M18外壳
轴向圆柱型,提供金属及塑料外壳
来自SICK的PinPoint技术
多种外壳设计,满足不同安装需求
凭借SICK的PinPoint类激光光源技术,实现快速安装及检测
用的M18圆柱型外壳设计无需特殊安装支架,降安装时间及维护成本
采用久经考验的SICK技术,坚固耐用且
高亮LED状态指示灯
IP 67 防护等级
经济型设计
售6041819施克圆柱形光电传感器,VL180-2P42431
021-39526589
网址:www.qiant.net
地 址:上海市嘉定区嘉涌路99弄
6号楼713室