审批施克SICK的传感器
TIM571-2050101

类型:
TIM561-2050101S80
尺寸单位:mm
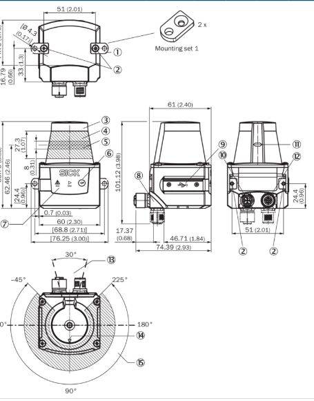
① 2 x 紧固对接搭板,带有螺钉 M3 x 4 mm在供货范围内)
② 紧固螺纹 M3,2.8 mm 深(盲孔螺纹),大拧紧力矩 0.8 Nm
③ 光学镜头罩
④ 接收范围(光入射)
⑤ 发射区域(光发射)
⑥ 按键(无功能)
⑦ 红色和绿色 LED (状态指示灯)
⑧ 旋转式插头单元
⑨ Micro-USB 插座,B 型
⑩ “电源/同步输出”接口,5 针 M12 插头
⑪ 光发射层位置标记
⑫ 接口“以太网”、4 针 M12 插座
⑬ 在已安装完毕的设备上不允许出现反射面的区域
⑭ 定向标记用于辅助定位(90° 轴)
⑮ 孔径角 270°(可视范围)

订货号:
1106065

测量原理HDDM
应用领域Outdoor
光源红外线 (850 nm)
激光等级1 (IEC 60825-1:2014, EN 60825-1:2014)
开启角度
水平的270°
扫描频率15 Hz
角度分辨率0.33°
工作区域0.05 m ... 10 m
保护距离
反射比为 10% 时8 m
抗冲击能力
50 g, 11 ms, ± 3 次一次性冲击/轴 3)
25 g, 6 ms, ± 1,000 次持续冲击/轴 3)
50 g, 3 ms, ± 5,000 次持续冲击/轴 3)
工作环境温度–25 °C ... +50 °C 4)
储存温度范围–40 °C ... +75 °C 4)
温度变化–25 °C ... +50 °C, 10 次循环 5)
湿度,热量+25 °C ... +55 °C, 95 % rF, 6 次循环 6)
允许相对湿度≤ 95 %, 非冷凝 6)
抗环境光能力80,000 lx
机械/电子参数
连接类型
1 x 接口“以太网”、4 针 M12 插座
1 x “电源/同步输出”接口,5 针 M12 插头
1 x Micro-USB 插座,B 型
供电电压9 V DC ... 28 V DC
功耗Typ. 4 W
外壳颜色灰色 (RAL 7032)
外壳防护等级IP67, 仅在“Aux 接口”的塑料盖关闭时有效 (IEC 60529:1989+AMD1:1999+AMD2:2013)
防护等级III (IEC 61140:2016-1)
重量250 g, 无连接电缆
尺寸(长 x 宽 x 高)60 mm x 60 mm x 86 mm
性能
响应时间Typ. 67 ms
可识别的物体形状几乎任何形状
系统错误± 60 mm
持续错误
< 20 mm
< 10 mm 1)
集成应用测量数据输出
1) 标准值;实际值取决于环境条件。在 10% 的反射比下,只能确保 6 m 触发感应距离以内的技术数据,如测量误差和触发感应距离。.
接口
Ethernet✔ , TCP/IP
USB✔
备注Micro-USB
功能AUX, 参数设置
数字输入端0
开关量输出1 (PNP, “SYNC”/“Device Ready(设备就绪)”)
光学信号2 LEDs (ON, “Device Ready(设备就绪)”)
物体反射率4 % ... 1,000 % (反色器)
电磁兼容性(EMC)
发射辐射居住区 (EN 61000-6-3:2007+AMD:A1:2011)
电磁抗扰度工业环境 (EN 61000-6-2:2005)
抗振动
正弦共振扫描10 Hz ... 1,000 Hz 1)
正弦测试10 Hz ... 500 Hz, 5 g, 10 个频率周期 1)
噪声测试10 Hz ... 250 Hz, 4.42 g RMS, 5 h 2)
SICK 为 TiM 系列扩充 TiM7xx,以打造完整、可扩展的 2D LiDAR 传感器产品组合。该传感器将智能现
场评估和测量数据输出集于一台设备中。因此,它既能在定义范围内采集有关目标存在的数据,又可输
出扫描区域的确测量数据。SICK 凭借 TiM7xx 精简移动应用所需的传感器数量。由此,客户能够针对
应用开发定制化解决方案。传感器的紧凑构型主要适用于移动式平台、自动导航车 (AGV) 和移动式服务机器人。
TiM7xx 为这些应用提供定位和防撞支持。
审批施克SICK的传感器
021-39526589
网址:www.qiant.net
地 址:上海市嘉定区嘉涌路99弄
6号楼713室