CDJ2B10-40Z-B;SMC新品标准气缸示意图

针型气缸 CJP2/CDJP2/CJP
?缸径ø4-5st也可安装2个磁性开关。
?可连接ø2的快换管接头及速度控制阀。
?带磁性开关(CDJP2系列:CDJP2)
维护:
1、气缸正常使用后,要经常检查系统中分水过滤器和油雾器的工作情况,即时放水加油。
不供油气缸6个月在气缸内滑动部加涂润滑脂。
2、采用尾部单、双耳式或中间摆动气缸,应定期向尾座或摆轴处加润滑油。
3、气缸在使用过程中应定期检查气缸各部位
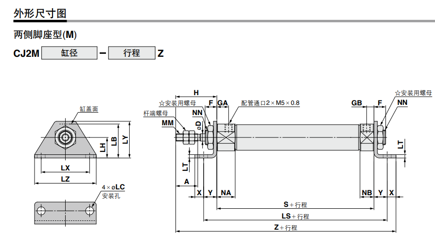
缸径选择:32、40、50、63、80、100、125;
·使用流体:空气;
·动作方式:双作用
·使用压力:1.0MPa;
·使用压力:0.05MPa;
·环境及流体温度:无磁性开关:-10℃~70℃;带磁性开关:-10℃~60℃;
·活塞速度:50~1000mm/s;
·缓冲:两侧气缓冲
·给油:不需要;
·接管口径:1/8,1/4,3/8,1/2;



CDJ2B10-40Z-B;SMC新品标准气缸示意图
021-39526589
网址:www.qiant.net
地 址:上海市嘉定区嘉涌路99弄
6号楼713室