正确使用136752,burkert两位四通先导电磁阀


有二位三通和二位四通版本,结构紧凑
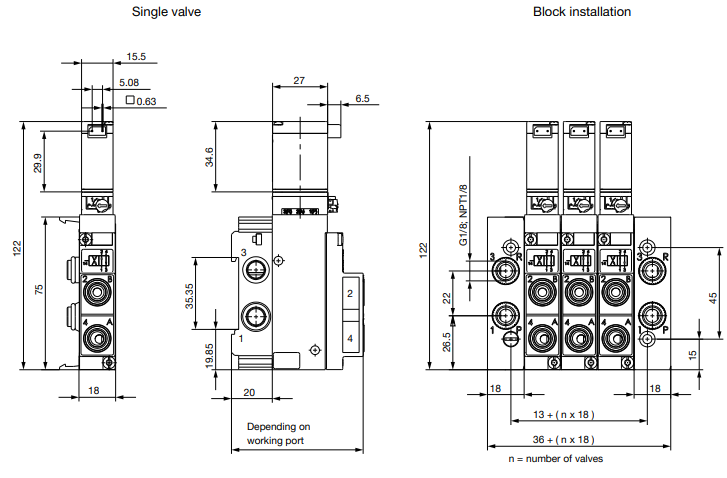
可扩展阀组
适用于气动系统的宝德电磁阀 -先导阀、阀岛
伺服辅助电磁阀,两位四通
标准配置带手动开关和流量限位器
转换功能
紧凑型阀门
重叠的线圈
废气可节流

软管、螺纹和法兰接头
座阀结构
多种类型的气动接口
坚固
5470 型阀由一个 6104 型先导摇臂式电磁阀和一个气动阀构成。
摇臂小幅度的运动不会造成磨损,不需要润滑。5470R型有二位三通和二位四通版本。
借助模块化的法兰将阀门整合起来
适用于气动执行机构
• 结构紧凑
• 推杆电磁线圈
• 排气可调节
结构紧凑,三通或四通式
组合式安装,带手动开关
功耗小、流量大
摇臂先导阀,直流供电
多种现场总线兼容
• 插管、螺纹和底座连接
• 伺服膜座阀
内孔 DN4.0mm
阀体材质 聚酰胺(PA)
阀内件 酰胺
密封材质 NBR
介质 压缩空气、中性气体
介质温度 -10℃-+50℃
环境温度 -10℃-+55℃
阀工作连接口尺寸 φ6mm插管连接(出口向下)
两端模块接口尺寸 G1/4
负载周期 连续工作
压力范围 2-8bar
单阀功率 1W
工作电压 24V/DC
空气QNn值 300【I/min】
正确使用136752,burkert两位四通先导电磁阀
021-39526589
网址:www.qiant.net
地 址:上海市嘉定区嘉涌路99弄
6号楼713室