两位三通直动式电磁阀132161,宝德0301型


6014型直动式电磁阀可单个或组合安装,适用于多种介质。
标准供货具有多种阀体材质,也适用于工艺真空。
功耗
线圈功率 吸合 保持
· 两位两通和两位三通电磁阀
· 带转动衔铁和手动开关
· 直动式带隔离膜片
· 反应快
· 适用于液体、气体和腐蚀性介质
· 即使在无润滑条件下也具有较长的使用寿命
气动执行机构驱动系统
? 两位三通直动式电磁阀
? 开关频率高
? AC/DC 电源
? 防爆等级: II 2G EEx m II T4 / II 2D
? 结构紧凑
? 推杆线圈
Banjo 螺纹接口式可直接安装在气动阀上
使用方便的手动开关
节能脉冲式
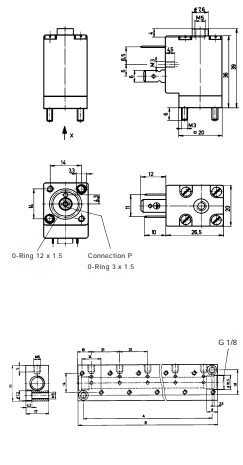
阀6014是一个直动式柱塞阀。
止动块和柱塞导管
焊接在一起以增强耐压性和密封性。根据不同的密封材料组合可供选择
在申请书上。Bürkert专用法兰
设计(SFB)使阀组上的阀门节省空间。
商品编号 125335
6014型3/2黄铜电磁阀G1/8
对比
3/2 - C - normally closed - inlet port 1 (P/NC), outlet port 2 (A/OUT) conecte dwith exhaust port 3 (R/NO) | 2,00 mm (5/64 inch) | 0,00 bar - 10,00 bar (10,00 bar) | Brass | Inner thread - G1/8 | 110,00 V - 110,00 V | FKM (Fluor rubber) | -10,00 °C - 100,00 °C
商品编号 125336
6014型3/2黄铜电磁阀G1/8
对比
3/2 - C - normally closed - inlet port 1 (P/NC), outlet port 2 (A/OUT) conecte dwith exhaust port 3 (R/NO) | 2,00 mm (5/64 inch) | 0,00 bar - 10,00 bar (10,00 bar) | Brass | Inner thread - G1/8 | 230,00 V - 230,00 V | FKM (Fluor rubber) | -10,00 °C - 100,00 °C
136112
136114
136079
136081
136115
136117
136106
136108
136109
136111
136088
136090
136091
136093
两位三通直动式电磁阀132161,宝德0301型
021-39526589
网址:www.qiant.net
地 址:上海市嘉定区嘉涌路99弄
6号楼713室