
产品特征:
Festo 三点抓手HGDT系列
●坚固的T型槽抓手,用于高要求场合
●规格 25, 35, 40, 50, 63
●行程 3 ... 10 mm 每个抓手夹头
●输出力:69 ... 864 N 每个抓手夹头
●位置检测
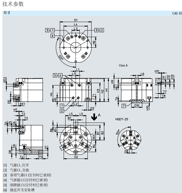
规格 16, 25, 32, 35, 40, 50, 63 mm
行程 2.5 ...10 mm每个夹爪的行程
输出力 30 ...864 N每个夹爪
气爪手指作直线动作, 与气爪手指的数目无关 (无论是2点还是3点式气爪)
三点式气爪 HGD
规格 16, 32, 50 mm
行程 2.5 ...6 mm每个夹爪
输出力 30 ...293 N每个夹爪
位置感测



广泛: • 双作用气爪
• 压缩弹簧用于补充或支持抓取
力,或用作仅用气源的单作用
气爪
• 适用于向内和向外抓取
气密封接口:
连接气密 (max. 0.5 bar) 时,压缩
空气流经夹爪。
例如,这可防止灰尘颗粒物进入
夹爪导轨。
有两种派生型:
标准型 – HGDT-...
每个夹爪的行程:
3 ... 10 mm
总抓取力:
207 ... 1728 N
型 – HGDT-...-F
每个夹爪的行程:
1.5 ... 5 mm
总抓取力:
411 ... 3372 N
021-39526589
网址:www.qiant.net
地 址:上海市嘉定区嘉涌路99弄
6号楼713室