特征:
•阀门已通过IEC 61508功能安全数据,并具有
SIL-3功能(Exida)
•电磁阀建议用于大流量,大流量的先导应用
•金属外壳中使用的线圈具有H级绝缘材料
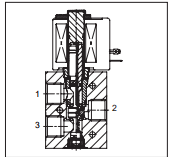
•引导运动以确保对准。 特殊的摩擦
密封件可在温度下实现平衡构造,并且
小功率水平下的压力范围
•特殊的骑手环可避免粘连并延长使用寿命
•不需要工作压力
•可以在任何端口上施加压力
•316不锈钢结构,用于高腐蚀性环境
•电磁阀满足所有相关的EC指令
电气特性:
线圈绝缘等级H
电气安全IEC 335
标准电压DC(=)24V-48V; 允许电压变化±10%
交流电(〜)24V-48V-115V-230V / 50 / 60Hz; 其他电压可根据要求提供
阀门正常操作的范围,有时还受流体(例如蒸汽)的影响
安全守则:
温度范围高于
Manual operator MO (push type) and MS (screw type)
3/8” pipe thread execution
1/2” NPT (prefix “T”) and M20 x 1,5 (prefix “ET”) conduits (aluminium or 316 SS) available for steel solenoid housing
Solid state components for peak voltage suppression and/or rectification
For manual reset type see page PIC-11-25

021-39526589
网址:www.qiant.net
地 址:上海市嘉定区嘉涌路99弄
6号楼713室