结构材质意大利康茂盛导向气缸
这些执行器适用于非常有限的空间,有两种版本。
QCT版本:带有烧结青铜衬套,适用于承受侧向载荷的情况缸高。
QCB版本:带直线球轴承,适合和快速循环应用程序。
两种版本均配有固定式
缓冲以防止直接冲击端盖。
缸体设计
允许使用以下方式安装气缸
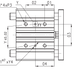
顶面,底面或侧面。 几个“ T”两个面上的异形凹槽使传感器能够可以安装在多个位置。
出标准笔画 仅需求。
参数:
建筑紧凑型导向
QCT =烧结青铜衬套
QCB =直线球轴承
操作双作用
材料主体=阳极氧化铝
法兰=镀锌钢
活塞杆=轧制不锈钢AISI 303
QCT柱=轧制不锈钢420B
QCB柱=淬硬钢C50
密封件= PU
在主体上安装螺纹孔和非螺纹孔
小行程 值见表
工作温度0°C÷80°C(在干燥空气中-20°C)
速度50÷500 mm / s
工作压力1÷10 bar
双作用.磁传.带导向装置

结构材质意大利康茂盛导向气缸
021-39526589
网址:www.qiant.net
地 址:上海市嘉定区嘉涌路99弄
6号楼713室