德国EUCHNER安士能感应识别系统CIT3PL1N30-STA


特点
成本的读写系统使用为广泛,通常选用只读头。
非常紧凑的读取头设计,无须配置额外接口配件。
读取距离18 mm。
移动读取时的接近速度可至410 mm/s。
数据载体芯片有16字节E2PROM可读写空间
只读头I/O可非常容易地连接任何4位并行接口的控制系统。(24V)
RS232串行接口的读写头
071552 CIT3PL1N30-STA
带并行接口的只读头CIT3,轴向接插连接
并行接口
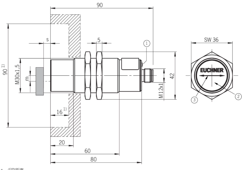
圆柱状设计M30
M12圆形接插件
水平方向连接
071950 CIT3PL1N30-STR
带并行接口的只读头CIT3,径向接插连接
并行接口
圆柱状设计M30
M12圆形接插件
径向连接
096560 CIT3SX1R1G05KX
CIT3 G05读/写头,具有串行接口
RS232串行接口
工作端可以调整到5个不同的位置
依据EN 50041设计的标准壳体
在安装读头和数据载体时,一定要注意产品工作面上的箭头标志,根据它来确定两者相对运动和交会方向。
当采用屏蔽连接电缆时,长可允许50m的电缆。
机械值和环境
壳体材料
壳体 铜锌,镀镍
环境温度 0 ... 50 °C
防护等级 IP67
安装方法 表面
接线方式 8针M12插头,轴向连接
电气连接等级
工作电压DC 20 ... 28 V DC
电流大小
无负载 65 ... 100 mA
开关电流 -30 ... +30 mA 每输出
输出类型 插拔式
电阻 4,5 kΩ 输入电阻
输出电压
小Ub - 3 V DC 用于高电平
2 V DC 用于电平
输入电压
小15 V DC 跳跃输入高电平
2 V DC 跳跃输入电平
LED指示灯 黄:数据载体处于活动状态
接口,总线
数据接口 4位二进制编码 + 选通
结合 数据载体 CIS3P16D08KH16YSNOU, CIS3P16D08KH16YSNOP
机械值和环境
接近速度
25°C时,Y方向识别距离s=5mm,中心距偏移量=0mm,4个十六进制数字 19,2 m/min
工作距离
识别距离 5 mm 0 ... 14 mm
中心距偏移量
25°C时,X方向识别距离s=5mm -18 ... 18 mm
25°C时,Y方向识别距离s=5mm -6 ... 6 mm
结合 数据载体 CIS3P35X16SH16YHNOP, CIS3P35X16SH16YHNOU, CIS3P35X16SH16YVNOP, CIS3P35X16SH16YVNOU
机械值和环境
接近速度
21°C时,Y方向识别距离s=7mm,中心距偏移量=0mm,4个十六进制数字 24,6 m/min
工作距离
识别距离
21°C时 7 mm 0 ... 18 mm
中心距偏移量
21°C时,Y方向识别距离s=7mm -8 ... 8 mm
21°C时,X方向识别距离s=7mm -23 ... 23 mm



德国EUCHNER安士能感应识别系统CIT3PL1N30-STA
021-39526589
网址:www.qiant.net
地 址:上海市嘉定区嘉涌路99弄
6号楼713室