

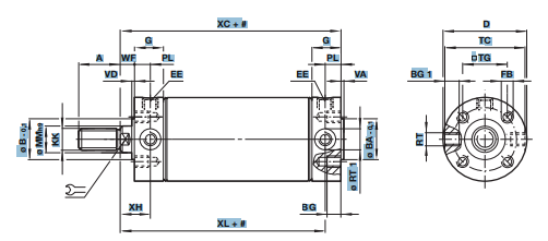
总长度比同类ISO/VDMA气缸缩短20%
摩擦,长寿命密封
高强度,双压接端盖设计
磁性活塞为标准配置 适用于多种控制系统
驱动: 双作用
行程: 100 mm
接口尺寸: Rc1/8
缸径: 32 mm 缸又可分为单作用气缸、双作用气缸、膜片式气缸和冲击气缸4种。应有较高的加工精度和的形状尺寸。活塞杆处向外漏气和防止外部灰尘混入缸内。杆侧端盖上设有导向套,以
机构。杆侧端盖上设有密封圈和防尘圈,以防止从
内燃机缸体上安放活塞的空腔。是活塞运动的轨道,燃气在其中燃烧及膨胀,通过气缸壁还能散去一部分燃气传给的爆发余热,使发动机保持正常的工作温度。气缸的型式有整体式和单铸式。单铸式又分为干式和湿式两种。气缸和缸体铸成一个整体时称整体式气缸;气缸和缸体分别铸造时,单铸的气缸筒称为气缸套。气缸套与冷却水直接接触的称作湿式气缸套;不与冷却水直接接触的称作干式气缸
气压传动中将压缩气体的压力能转换为机械
能的气动执行元件。气缸有做往复直线运动的和做往复摆动两种类型(见图)。做往复直线运动的气提高气缸的导向精度,承受活塞杆上少量的横向负载,减小活塞杆伸出时的下弯量,延长气缸使用寿命。导向套通常使用烧结含油合金、前倾铜铸件。端盖过去常用可锻铸铁,为减轻重量并防锈,常使用铝合金压铸,微型缸有使用黄铜材料的。
①单作用气缸:仅一端有活塞杆,从活塞一侧供气聚能产生气压,气压推动活塞产生推力伸出,靠弹簧或自重返回。套。为了保持气缸与活塞接触的严密性,减少活塞在其中运动的摩擦损失,气缸内壁
端盖上设有进排气通口,有的还在端盖内设有缓冲

021-39526589
网址:www.qiant.net
地 址:上海市嘉定区嘉涌路99弄
6号楼713室