宝德转动衔铁电磁阀00066032工作原理
0780 型为两位两通或两位三通直动式转 动衔铁电磁阀,具有 EEx ,即使在无润 滑的条件下也有较长的使用寿命。适用于中 性、磨蚀型和微污染的介质,不锈钢阀体式 适用于腐蚀性介质。
直动式,带隔离膜片 • 可锁定的手动开关 • 适用于液体和气体 • AC/DC 电源 • 即使在无润滑的条件下也具有较长的使用寿命

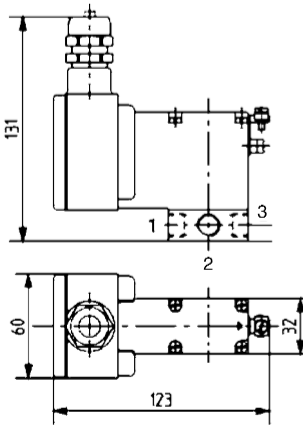
技术参数 内孔 DN 3.0 mm 阀体和阀座材质 黄铜和不锈钢 1.4401 密封材质 NBR, FKM 介质 NBR 密封 FKM 密封 中性介质,如压缩空气、水、油 热空气、氧气、热油、高溶溶液 介质温度 NBR 密封 FKM 密封 0 至 +70 °C -10 至 +70 °C 环境温度 Max. +55 °C 粘度 Max. 37 mm2/s 电源 24/230 V UC 电压允差 ±10% 频率 约 30/min 负载周期 连续工作 电气连接 接线盒,不含熔丝 可按需提供 3 米模压电缆 HO5RN-F3G, 3 x 0.75 mm2 熔丝 半延时熔丝 (对应于额定电流) 防护等级 IP 65 防爆等级 II 2G EEx ed IICT5 PTB03 ATEX 1030X e 增安型 d 隔爆型 安装方位 可根据需要安装,将执行机构朝上
■对于回路功能A 和 B,阀体为直流向 接线盒 = 不带熔丝的接线盒 可按需提供带电缆接头和的模压电缆 (HO5RN-F3G, 3 x 0.75 mm2,长度3 米)

宝德转动衔铁电磁阀00066032工作原理
021-39526589
网址:www.qiant.net
地 址:上海市嘉定区嘉涌路99弄
6号楼713室