油研压力控制AR22-FR01CS-20T结实耐用
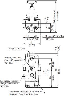
减压阀用于将液压回路的压力设置为于主回路的压力。另外,可以通过使用远程控制端口在远程控制下进行操作。减压阀和止回阀具有止回阀,可让其从次级侧自由流向初级侧。
要调节压力,请松开锁紧螺母,然后顺时针缓慢旋转压力调节手柄以提高压力。
压力和逆时针旋转可降压力。调整后,不要忘记拧紧锁紧螺母。
将排污口直接连接到储液罐,在这种情况下,应将排污口的压力保持在较水平背压接近大气压。
对于“螺纹连接”,有两个螺纹连接类型的主压力端口。他们可以彼此串联连接;一个用作入口,另一个用作出口或阀门,可以通过插入其中一个阀来使用。压力端口。

在售型号:
BT-03-32
CIT-03-04-50
DSG-01-2B2-DC24
CRG-10-04-50
DG-01-22
DSG-01-3C4-DC24
DsG-01-3C2-A240
DSG-01-3C4-220
CRG-06-04-50
DSG-02-2B2-N-A2
DSG-02-3C3-DL
DP20-A100-M-10
此外,通过使用远程控制端口,可以在远程控制下进行操作。 减压和止回阀具有止回阀,允许从次级侧到初级侧的自由流动。
提供子板。从上表中底板的型号。当不使用底板时,安装表面应具有良好的机加工光洁度。
底板与H型压力控制阀的底板相同。通过减压阀和止回阀,可将副板用于位置从正常位置旋转(倒置)180°。安装底板时,请务必将阀门定位销插入副板销孔。

油研压力控制AR22-FR01CS-20T结实耐用
021-39526589
网址:www.qiant.net
地 址:上海市嘉定区嘉涌路99弄
6号楼713室