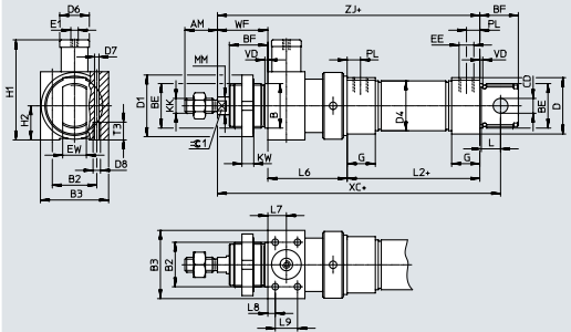
FESTO圆形气缸技术标准
主要特点:
• 不锈钢活塞杆
• 良好的运行性能,使用寿命长
• 活塞杆带外螺纹或内螺纹
• 附件齐全,气缸可安装在几乎任何地方
• 对应标准 ISO 6432 。派生型均基于这些标准
派生型选择众多:
DSNU-S-8 ... 16 DSNU-S-20 ... 25 DSNU/ESNU-... DSNU/ESNU-...-MA
• 缸径 8 ... 16 mm
• 不锈钢缸筒
• 缸径 20 ... 25 mm
• 不锈钢缸筒
• 精制铝合金端盖,带短螺纹
• 精制铝合金短端盖
• 节省空间
• 节省空间
• 缸径 8 ... 63 mm
• 不锈钢缸筒
• 精制铝合金轴承盖和端盖
• 缸径 8 ... 63 mm
• 不锈钢缸筒
• 轴承盖带螺纹法兰
• 短轴承盖,带轴向气源口
工作方式 • 气缸采用弹性塑料终端位置缓冲
• 气缸采用自调节终端位置缓冲 • 气缸采用可调节终端位置缓冲应用 • 小负载
• 速
• 冲击能量小
• 中等冲击能量
• 中高负载
• 中小负载
• 中速
• 高速
• 高冲击能量
YS • 无需调节
• 节省时间
• 性能强
• 节省时间
• 无需调节
• 性能强
派生型种类繁多,满足个性化应用运行功率高且使用寿命长可自调的气动终端缓冲,可地适应负载和速度变化带内螺纹或外螺纹的活塞杆用于位置检测
FESTO圆形气缸技术标准
021-39526589
网址:www.qiant.net
地 址:上海市嘉定区嘉涌路99弄
6号楼713室