burkert三位五通电磁阀00066032详细说明
流量大
• 单个或组合安装
• 回路功能常闭和常开
• 三通或五通阀
• 推杆线圈
• 防腐型适用于户外安装
两位三通、两位五通和三位五通电磁阀,
适用于气动系统
• 流量大
• 单个或组合安装
• 回路功能常闭和常开
• 三通或五通阀
• 推杆线圈
• 防腐型适用于户外安装 6518/6519型可与以下产品配套:
2508型 1078型 2512/2511型 8600型 2012型
电缆插座 定时器 ASI电缆插座 批量控制器 单座截止阀

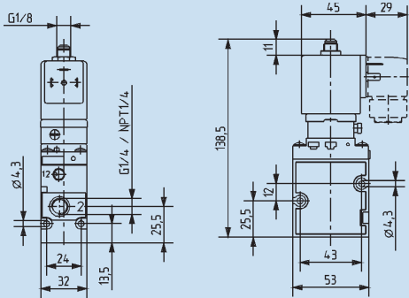
内孔
6518型 DN 8.0 mm
6519型 DN 8.0 and 9.0 mm
阀体材质 NBR and PUR
6518型 聚酰胺,玻璃纤维加强
6519型 聚酰胺(两位五通),铝(三位五通)
带螺纹的插件材质 黄铜或不锈钢(按需提供)
密封材质 ±10%
6518型 -10 to +50 °C
6519型 -25 to +55 °C
介质 压缩空气、中性气体 NBR, NBR and PUR
介质温度 -10 to +50 °C
环境温度 -25 to +55 °C
气源口
6518型:1和3 G 1/4螺纹接口,也可为法兰
6519型:1、3和5 G 1/4螺纹接口,也可为法兰
输出口
6518型: 2 G 1/4螺纹接口
6519型: 2和4 G 1/4螺纹接口
负载周期 连续工作
电气连接 DIN 43650 A型插头,可与2508型插座配套
防护等级 插座插好时IP 65环境条件 户外,化学气体环境
6518型为两位三通阀,6519型为两位五通或三位五通阀。这两种阀构成一个产品系列。它们都能安装在气动模块上。既可单独安装,也可组合安装。
burkert三位五通电磁阀00066032详细说明
021-39526589
网址:www.qiant.net
地 址:上海市嘉定区嘉涌路99弄
6号楼713室