预售SMC气爪/支点开闭型MHT2-40DZ

●新型缸身,可在4面安装小型磁性开关
●由于采用肘节机构可获得稳定的夹持力
●遮断空气亦能保持工件(安全措施)
・采用双活塞机构,紧凑且夹持力大。
・内置可变节流阀。
・可安装带指示灯无触点磁性开关。
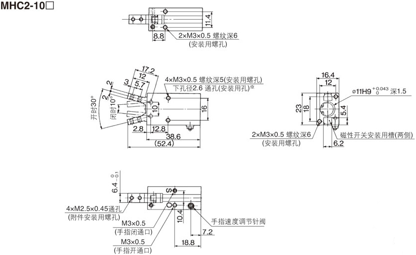
双活塞机构,故夹持力大.
支点开闭型MHC系列现有φ6 的
MHCM2系列实现更小型化 .
?长方形爪体(2爪),楔形凸轮驱动滑动导轨。
规格
使用流体空气
使用压力双作用0.1~0.6MPa
单作用0.25~0.6MPa
环境温度及使用流体温度-10~60°C
重复精度士 0.01mm
高使用频率180c.p.m
给油不给油
动作方式双作用、单作用
注)磁性开关(可选项)无触点磁性开关(3线式.2线式)
根据气缸的安装件的安装形式,可分为可拆式和固定式气缸。
根据气缸安装形式可分为固定式、摆动式、嵌入式、回转气缸四种。

MHKL2-16D
MHKL2-16DF
MHKL2-16DS
MHKL2-16D1
MHKL2-16D1F
MHKL2-20D
MHKL2-20S1
MHKL2-20S1F
MHKL2-25C
MHKL2-25D
MHKL2-25DF
MHKL2-25DS
MHKL2-25D1S
MHKL2-25S
MHK16-PS
MHK2-12DIS
MHK2-12D1F
MHK2-12D1S
预售SMC气爪/支点开闭型MHT2-40DZ
021-39526589
网址:www.qiant.net
地 址:上海市嘉定区嘉涌路99弄
6号楼713室