康茂盛二位三通电磁阀CAMOZZI技术标准
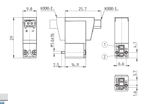
型号:
| 1610 6/4-M6 |
产品介绍:
功能 孔口Ø (mm) kv (l/min) Qn (Nl/min) Min÷压力(bar)
K000-102-F1* 2/2 NC 0.6 0.15 10 0 ÷ 7
K000-102-F2* 2/2 NC 0.6 0.15 10 0 ÷ 7
K000-102-F3* 2/2 NC 0.6 0.15 10 0 ÷ 7
K000-105-F1* 2/2 NC 1 0.30 - 0 ÷ 3
K000-105-F2* 2/2 NC 1 0.30 - 0 ÷ 3
K000-105-F3* 2/2 NC 1 0.30 - 0 ÷ 3
电磁阀里有密闭的腔,在不同位置开有通孔,每个孔都通向不同的油管,腔中间是阀,两面是两块电磁铁,哪面的磁铁线圈通电阀体就会被吸引到哪边,通过控制阀体的移动来档住或漏出不同的排油的孔,而进油孔是常开的,液压油就会进入不同的排油管,然后通过油的压力来推动油缸的活塞,活塞又带动活塞杆,活塞竿带动机械装置动。这样通过控制电磁铁的电流就控制了机械运动。
一进二出:(ZC2/31) 当电磁阀线圈通电时,出介质端(2)路打开,路(3)关闭;当电磁阀线圈断电时,出介质端路(2)关闭,路(3)打开;
二进一出:(ZC2/32) 当电磁阀线圈通电时,进介质端路(2)打开,路(3)关闭;当电磁阀线圈断电时,进介质端路(2)关闭,路(3)打开;(此内阀两进口端前必需加单向阀)
一进一出:常闭式(ZC2/3)---当电磁阀线圈通电时,接口2通向接口1,接口3关闭;当电磁阀线圈断电时,接口2关闭,接口1通向接口3;
常开式(ZC2/3K)---当电磁阀线圈断电时,接口3通向接口1,接口2关闭;当电磁阀线圈通电时,接口3关闭,接口1通向接口2。
与供应:
1x 接口密封
2x 螺丝 M1.6x16
(UNI 10227 用于安装在塑料或
UNI 7687 用于安装在金属上)
国防部。
康茂盛二位三通电磁阀CAMOZZI技术标准

021-39526589
网址:www.qiant.net
地 址:上海市嘉定区嘉涌路99弄
6号楼713室