康茂盛直动式电磁阀CAMOZZI技术标准
产品介绍:
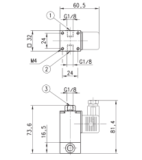
» 端口:G1/8、G3/8、
墨盒Ø4
» 也有版本
对于温
高达 -50°C
这些阀门的主体既可以使用
单独或以多种形式。
后者带有 G1/8 螺纹
端口或内置直径 4 墨盒(G3/8
仅用于 2 路)。
6 系列电磁阀有 2/2 和 3/2 通,NC 或 NO。
这些直动式电磁阀可在有润滑或无润滑的情况下使用。
在模组中。 648-150-A6*
(NO) 连接 1 和 3
倒置,而
工作压力为 6 bar in
案例一个螺线管A6B,A6C,A6D,
选择 A6E。
* = 选择电磁阀
电压根据
编码示例
康茂盛直动式电磁阀CAMOZZI技术标准
