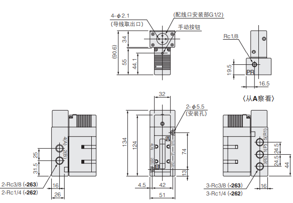
详细说明小金井430-4E1-262-39 DC24V电磁阀


注意事项:
在向阀门注入润滑脂时,不锈钢调节阀应注意开关位置
沿密封圈充满密封槽,如果开启,密封脂将直接落入转
殊情况下选择封闭式维护。其他阀门不能被视为打开位
的阀门问题。在维护期间,球阀通常处于打开位置。特
置。检修中的闸门阀必须处于关闭状态,以确保润滑脂
轮或阀室,造成浪费。
BSA10*6.5-402W
CDAL40*50-ZE255B1
PCS-20-10-S1
Y-DA50
DA50*660-8B-8E
DAL16*60
CRK40*870-F2-K2-CS3MB2

CRK40*1750-F2-K2-CS3MB2
CRK40*800-F2-K2-CS3MB2
F600-04-A-52W
VPS062-4E1-70 DC24V
F15M10SM-ML-D3
F15M10SM-ML DC24V
清洁维护:
电磁阀上的油污和介质残渍适于蒸汽吹扫,甚至用铜丝
刷刷洗,直至加工面,配合面显出金属光泽,油漆面显
油污以及介质残渍等脏物,对阀门会产生磨损和腐蚀。
因此经常保持阀门外部和活动部位的清洁,保护阀门油
出油漆本色为止。疏水阀应有专人负责,每班至少检查
表面,阀杆和阀杆螺母上的梯形螺纹,阀杆螺母与支架
滑动部位以及齿轮,蜗轮蜗杆等部件,容易沾积灰尘,
一次,定期打开冲洗阀和疏水阀底的堵头进行冲洗,或
定期拆卸冲洗,以免脏物堵塞阀门,阀门的清扫阀门的
漆的完整,显然是重要的。
型号:
CRK40*1050-F2-K2-CS3MB2
C125-6W
C250-4W
250A-11-17W
250A-16W
DABL25*125-4-4030W
280-4E2-83-PSL-DC24V
A010-4E1-PSL/PLL-10W-DC24V
SDA125*50-FA
DDAJ100*450-JK-1
DDAJ100*450-JA-1
KSHJ27*25C-02
Y-DA32
1500A-2W
DABSH32*200-4-285W
A110-4E1-25-81W AC220V 50/60HZ
EWHA24H-CP-3L
EWHRT60A-CP-3L
F-AV050-C-S
ORS32*150-KL-ZE135A3-15W

ORCA16*500-L-M1-ZG553B2
APT-SD12-15-TP
CRK40*1100-F2-K2-CS3MB2
CRK40*600-F2-K2-CS3MB2
200-4E1-39-62W-DC24V
DA20*50-I-1666W
CDAS20*20-B-P
K2-100SF-02-NC-3W
DTY-ELK01-L
W243-4E2-2W AC200V
MGAPS20*50-R
DTY-ZKCR
NDAS16*30-8-127W
110-4E1-PSC-CR063W 24V
MGAPS12*60-R
CRK40*700-F2-K2-CS3MB2
CRK40*900-F2-K2-CS3MB2
CRK40*930-F2-K2-CS3MB2
KSHJ10*15-03
KSHJ22*25-01
KSD16*30-B
X88M-ED-108W
C250-16W
详细说明小金井430-4E1-262-39 DC24V电磁阀
021-39526589
网址:www.qiant.net
地 址:上海市嘉定区嘉涌路99弄
6号楼713室