



规格
项目
缸径
使用流体
高使用压力
使用压力
连接口径
行程允许误差
使用活塞速度
不回转精度
活塞杆
轴承形式
缓冲
给油
允许吸收能量
mm
MPa
MPa
℃
mm
mm/s
J
双作用型
压缩空气
0.70
5~60
0~-5 1~200
滑动轴承
滚动轴承
带橡胶缓冲
不可给油
0.303
STR2-MF(滑动轴承)、STR2-BF(滑动轴承) φ10 φ16 φ20 φ25 φ32
0.061
Rc1/8
0.15
M5
0.1
行程
机种型号
φ10
φ16、φ20、φ25、φ32
50 5 10
100
10、20、30、40、50
10、20、30、40、50、60、70、80、90、100
缸径(mm) 标准行程(mm) 大行程(mm) 小行程(mm) 带开关小行程(mm)
开关规格
●单色/双色表示型
项 目
用途
电源电压
负荷电压
负荷电流
指示灯
有接点2线式
可编程控制器专用
-
DC10~30V
5~20mA(注1)
可编程控制器、继电器用
DC12V/24V
5~50mA
AC110V
7~20mA
DC5/12/24V
50mA以下
AC110V
20mA以下
可编程控制器、继电器用
DC10~28V
DC30V以下
50mA以下
可编程控制器、继电器用
IC回路(无指示灯)、串连用
无接点2线式 无接点3线式
K2H・K2V K2YH・K2YV K3H・K3V K3YH・K3YV K0H・K0V K5H・K5V
- - 发光二极管(ON时灯亮) 红色/绿色发光二极管(ON时灯亮) 发光二极管(ON时灯亮) 红色/绿色发光二极管(ON时灯亮) 发光二极管(ON时灯亮) ●带预防维护输出
项 目
用途 可编程控制器专用
-
DC10~30V
5~20mA
20mA以下
可编程控制器专用
-
DC10~30V
5~20mA
5~20mA以下
可编程控制器、继电器用
DC10~28V
DC30V以下
50mA以下
50mA以下
可编程控制器、继电器用
DC10~28V
DC30V以下
50mA以下
50mA以下
无接点3线式 无接点4线式 无接点3线式 无接点4线式
K2YFH/V K3YFH/V K2YMH/V K3YMH/V
红色/绿色发光二极管(ON时灯亮)
DC30V以下
黄色发光二极管(ON时灯亮) - 注1: 上述负荷电流的大值:20mA为25℃时的值。开关使用的环境温度高于25℃时,负荷电流值于20mA。(60℃的情况下为5~10mA)
安装位置调节部位
预防维护输出部位
电流电压
负荷电压
负荷电流
负荷电压
负荷电流
通常输出部位预防维护输出部位指示灯
STR2-MF
STR2-BF
STR2-MF
STR2-BF
±0.3゜ ±0.1゜
0.181
±0.2゜ ±0.3゜
0.68 1.3
〈型号表示例子〉
选项注意事项:
STR2-MF-16-30-K0H-R-F
机种:级双活塞杆型气缸 微速型
a 轴承方式 :滑动轴承
b 缸径 :φ16mm
c 配管螺纹种类:Rc螺纹
d 行程 :30mm
e 开关型号 :有接点K0H开关、导线1m
f 开关数 :前端带1个 g 选择项 :端板材质:钢 ●开关本体的型号表示方法
e
型号表示方法
注1:后方配管型“R”的大行程如下所示
・φ16 :70行程
・φ20・φ25 :60行程
・φ32 :50行程
注2:STR2-BF-10不能使用有接点开关。
此外,我公司还备有 开关型号以外的开关。
(按订单)有关详细情况请参考卷末1页。
d 行程(mm) a 轴承方式
内 容 e 开关型号
※导线长
f 开关数
g 选择项
符号
选
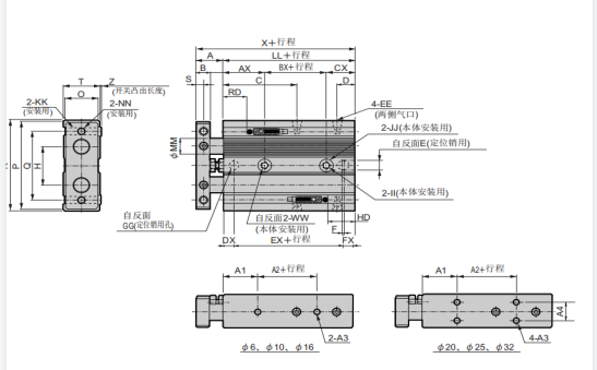
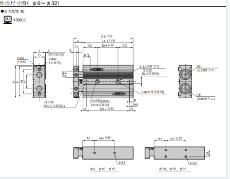
外形尺寸图
与双作用STR2系列相同。请参考1356页。
有关测定方法的技术资料,请参考测定方法(
021-39526589
网址:www.qiant.net
地 址:上海市嘉定区嘉涌路99弄
6号楼713室