SMC3通电磁阀VG342-4G-10A订货方式
性能参数:
可作为选择阀或分流阀使用 (外部先导型)
●无须给油
阀规格 - 内部先导式更改通过状态时,确认压力已经从阀门。
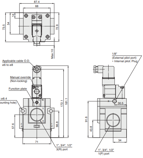
拧下 M4 x 0.7 内六角头转换板上的帽螺钉和将转接板上的标记与转换板上的字符。
配管如下
额定电压 4 AC220V 50/60Hz
导线引出方式 G 直接出线式
指示灯·过电压保护回路 - 无
消耗功率
接管口径 10 1
螺纹的种类 - Rc
机能 A N.C.(常断)
先导阀可选项 - 标准型
●真空或压环境可用
●可轻易切换成N.C., N.O.或外部先导
●可在真空/压下使用

CDQ2A63-50DMZ
CDQ2A63-60DMZ
CDQ2A80-75DZ
CDQ2B25-10DZ
CDQ2B32-35DZ
CDQ2B32-100DZ
CDQ2B32-10DZ
CDQ2B32-25DMZ
CDQMA50-40
CDU16-20D
CDUW20-90D
CQMB20-45
CXSM10-20
CXSM10-30
CY1L25L-750
MDBB32-100Z
MDBB32-75Z
MDBB50-250Z
MGPL16-30Z
MGPM16-20Z
MGPM16-75Z
MGPM20-30Z
MGPM20-40Z-Z73
MGPM20-50Z
MGPM25-100Z
MGPM40-50Z
MHL2-40D
MHZ2-20D
MHZL2-25D
MKB40-10RZ
MSQB30L2-A93
MSQB50H3
MXH20-40Z
MXQ16-75
MXQ20-40A
RS2H50-30TM
RSQA40-30TRZ
SMC IR1020-01
SMC RS2H50-30TM
SMC MDBT40-75Z
SMC CS1TN-140-250
减压阀 AW30-02-A SMC
AQ2000-02 10

Low power consumption
4 W DC (Standard type)
1.8 W DC (Energy-saving type)
No lubrication required
Possible to use in vacuum
or under low pressures
External pilot
Vacuum: Up to –101.2 kPa
Low pressure: 0 to 0.2 MPa
Changeable actuation:
N.C., N.O., or external pilot
Can be used as a selector
or divider valve (External pilot)
SMC3通电磁阀VG342-4G-10A订货方式
021-39526589
网址:www.qiant.net
地 址:上海市嘉定区嘉涌路99弄
6号楼713室