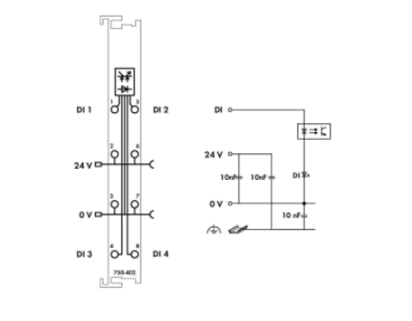
万可4通道数字量输入模块750-402电压24VDC


247-538
249-538
750-100
750-103
750-105
750-1400
750-1402
750-1405
750-300
750-301
750-303
750-304
750-344
750-345
750-346
750-347
750-348
750-351
750-352
750-841/025-000
750-842
750-843
750-849
750-860
750-863
750-305
750-306
750-307
750-310
750-312
750-313
750-314
750-315
750-316
750-319



该数字量输入模块可接收来自现场设备(如:传感器等)的控制信号。
每个输入模块均带有抗干扰滤波器。
现场层和系统层之间经电气隔离。
数字量输入数量 4
通道总数量(模块) 4
信号类型 电压
电压信号类型 24 VDC
传感器供电电压 24 VDC
传感器连接 2 x (2线, 3线); 连接其他传感器时,必须使用一个合适的现场侧接线模块(如750-614)。
输入特性 高电平触发输入滤波(数字量)
3 ms信号(1)各通道输入电流(典型) 4.5 mA信号(0)电压范围
−3 … +5 VDC信号(1)电压范围 15 … 30 VDC输入数据宽度(内部) (大) 4 bits供电电压(系统)
连接技术:输入端/输出端 8 x 笼式弹簧接线单元(CAGE CLAMP®)
连接类型(1) 输入/输出
单股导线 0.08 … 2.5 mm² / 28 … 14 AWG
细多股导线 0.08 … 2.5 mm² / 28 … 14 AWG
剥线长度 8 … 9 mm / 0.31 … 0.35 英寸
Geometrical Data
宽度 12 mm / 0.472 inch
高度 100 mm / 3.937 inch
深度 69.8 mm / 2.748 inch
以DIN导轨的上边线为基准的深度 62.6 mm / 2.465 inch
安装方式 DIN-35型导轨
接插式连接器 否
材料参数
颜色 light gray
外壳材料 聚碳酸酯,尼龙6.6
火灾荷载 1.163 MJ
重量 45.5 g
一致性标志 CE
Environmental Requirements
允许环境温度(运行时) 0 … 55 °C
允许环境温度(储存) -40 … 85 °C
防护类型 IP20IP20
污染等级(5) 2,符合IEC 61131-2标准
工作海拔 0 … 2000 m
万可4通道数字量输入模块750-402电压24VDC
021-39526589
网址:www.qiant.net
地 址:上海市嘉定区嘉涌路99弄
6号楼713室