施克TMM22E-PKH045倾斜传感器数据表
产品作用:
用于成本敏感应用的一维或二维倾斜度测量
采用防尘防水封闭电子设备的坚固传感器设计,性高
由于优化了干扰抑制,即使在苛刻的环境条件下,也能在整个测量范围内实现高测量性
由于尺寸紧凑,可集成到广泛的应用中
模拟输出信号确保在工业环境中的兼容性
通过视觉LED反馈,传感器的恒定状态信息
由于有许多参数化选项,因此具有很高的灵活性
连接类型 电缆, 5 芯, 带插头, M12, 5 针, 0.3 m
供电电压 12 V DC ... 30 V DC
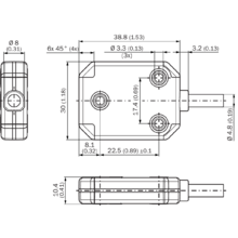
维度 38.8 mm x 30 mm x 10.4 mm
重量 大约 60 g
材料、外壳 玻璃纤维增强塑料 (PA12)
电流消耗 < 50 mA (+ Iloop) @ 24 V
极性反接保护 ✔
测量范围:高达360°(1轴)或高达±90°(2轴)
无磨损MEMS技术,实现高信号质量
测量精度:高达±0.1°
模拟接口:0V至10V和4mA至20mAS
输出端短路保护 ✔
倾斜度传感器TMS22(单轴)和TMM22(双轴)能够以经济高效的方式进行非常倾斜度测量。其基础是的MEMS技术,该技术具有高达±0.1°的误差容限和高重复性。测量值通过线性化的模拟信号输出。为了满足太阳能系统等户外应用中的电阻要求,传感器电子器件在注塑过程中直接嵌入外壳中。因此,TMS/TM22符合防护等级IP66、IP68或IP69K的要求。此外,10.4毫米高度的紧凑设计提供了多种集成可能性。还提供用户可配置的传感器变体。
为了使灰尘和湿气都不会损坏 TMS/TMM22 的电子元件,在外壳注塑过程中进行了防尘和防水封闭处理。结合的 MEMS 技术,这使得倾斜传感器具备极为出色的耐抗性。因此,高温波动、恶劣的环境条件或使用水射流进行高压清洁对它来说并非真正的挑战。得益于集成的电缆,TMS/TMM22 符合 IP69K 外壳防护等级。外壳上的激光标记甚至可抵抗性的高紫外线辐射,因此随时都可以清晰地识别传感器。由于采用 3 孔安装方式,它可以实现放置效果,因此能够提供的测量值。
TMS/TMM22 通过线性化模拟信号将其倾斜度数据传输至设备控制器。为了获得的兼容性,该传感器可选购常见模拟接口 0 …10 V 和 4 … 20 mA。接口还可以根据客户要求个性化适配各自的要求。当前在规划中:扩展如 IO-Link 和 CANopen 等数字接口。为了尽可能简单地进行系统集成,可以使用带有直头或弯头 M12 连接器、采用裸露的多股线或个性化解决方案的与外壳固定相连的传感器电缆。

施克TMM22E-PKH045倾斜传感器数据表
021-39526589
网址:www.qiant.net
地 址:上海市嘉定区嘉涌路99弄
6号楼713室