norgren气囊式气缸PM/31042参数
喷涂就是用专用的高温火焰喷枪把金属粉末加热至熔化或达到塑性状态后喷射于处理过的气缸表面,形成一层具有所需性能的涂层方法。其特点就是设备简单,操作方便涂层牢固,喷涂后汽缸温度仅为70℃-80℃不会使气缸产生变形,而且可获得耐热,耐磨,抗腐蚀的涂层。注意的是在涂渡和喷涂前都要对缸面进行打磨、除油、拉毛,在涂渡和喷涂后要对涂层进行研刮,结合面的严密。
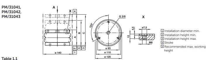
行程长度 85 毫米
操作 单作用
中等 压缩空气
工作温度 -30 ... 50 °C, -22 ... 122 °F
工作压力 0 ... 8 bar, 0 ... 116 psi
端口尺寸 G3/8
公称直径 4-1/2"
波纹数 2
当气缸结合面大面积漏气,间隙在0.50mm左右时,为了减少研刮的工作量,可用涂镀的工艺。用气缸做阳极,涂具做阴极,在气缸的结合面上反复涂刷电解溶液,涂层的厚度要根据气缸结合面间隙的大小而定,涂层的种类要根据气缸的材料和修刮的工艺而定。
理论力 (6 巴) 5750 N


norgren气囊式气缸PM/31042参数
021-39526589
网址:www.qiant.net
地 址:上海市嘉定区嘉涌路99弄
6号楼713室