

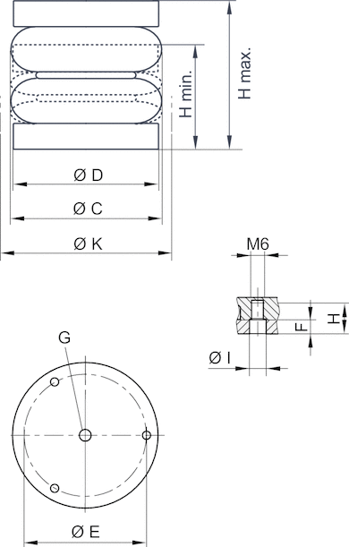
物料号 压缩空气连接尺寸 G 小高度 mm 较大高度 mm C mm D mm E ±0,5
[mm] K mm 小回复力(回弹力) N
R414000188 G 3/8 65 mm 140 mm 128 mm 110 mm 93 140 mm
确保通过末端挡块遵守小高度 H 以及较大高度 H。
运行高度 ≥ Hmax 时使用:只能在与 AVENTICS 协商后
有关震动隔离器的信息参见“技术信息”
可更换波纹管。
后盖 铝材, 钢, 镀锌
顶盖直 径压缩空气连接尺寸 G较大有效行程小径向安装空间特征较 / 较高环境温度材料 皮腔材料 盖板力,小-较大重量图片物料号
78 mmG 1/439 mm95 mm2 3/4x2-30 ... 90 °C氯丁二烯橡胶铝材0,8 ... 2,2 N0,5 kgFig. 1
R412020591
110 mmG 3/875 mm140 mm4 1/2x2-30 ... 90 °C氯丁二烯橡胶铝材2,4 ... 5,7 N1 kgFig. 2
R414000188
152,5 mmG 1/295 mm195 mm6x2-30 ... 90 °C氯丁二烯橡胶铝材4,2 ... 11 N1,8 kgFig. 3
3999791030
153,5 mmG 1/295 mm195 mm6x2-30 ... 90 °C氯丁二烯橡胶钢, 镀锌4,8 ... 10,8 N2,6 kgFig. 4
R412020592
184 mmG 1/2145 mm245 mm8x2-40 ... 70 °C天然橡胶 / 丁二烯橡胶钢, 镀锌6,5 ... 18 N3,5 kgFig. 4
R412020593
210 mmG 1/2170 mm300 mm10x2-40 ... 70 °C天然橡胶 / 丁二烯橡胶钢, 镀锌12 ... 26 N4,7 kgFig. 4
R412020594
260 mmG 1/2170 mm350 mm12x2-40 ... 70 °C天然橡胶 / 丁二烯橡胶钢, 镀锌20 ... 39,5 N6,6 kgFig. 4
R412020595
310 mmG 1/2215 mm425 mm14 1/2x2-40 ... 70 °C天然橡胶 / 丁二烯橡胶钢, 镀锌29 ... 59,5 N8,3 kgFig. 4
R412020596
310 mmG 1/2275 mm460 mm16x2-40 ... 70 °C天然橡胶 / 丁二烯橡胶钢, 镀锌36 ... 62,5 N8,8 kgFig. 4
R412020597
结构特点 带有安装环和罩盖的波纹管式气缸
实用原则 单作用式,不受压缩回
工作压力范围 0 ... 8 bar
环境温度范围 见下表
介质 压缩空气
允许倾斜角 较大值. 25 °
确定活塞推力的压力 6 bar
重量 见下表
皮腔 氯丁二烯橡胶, 天然橡胶 / 丁二烯橡胶
前端盖板 铝材, 钢, 镀锌

021-39526589
网址:www.qiant.net
地 址:上海市嘉定区嘉涌路99弄
6号楼713室