为您TJSMC双作用气缸CDQ2A50-40DZ
基本简介:
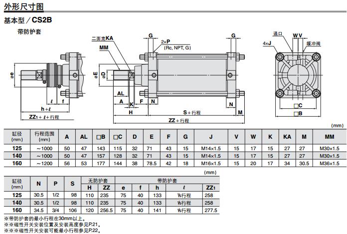
采用适合于使用方法的杆径,同时确保与CS1系列同等的性能。
气缸轻量化使自重引起的弯曲变形减轻。
使用行程得以延长,使用用途范围扩大。
因质量减轻,故装置重量轻量化。
采用压铸铝成型工艺制造杆侧缸盖和无杆侧缸盖,质量减轻。
采用适合于使用方法的杆径使质量减轻。
对双作用气缸,同样使用前面所述气缸理论力的计算公式和负载率计算公式,便可选定缸径D。缸径D的尺寸应标准化。
根据气缸的操作距离及传动机构的行程比来预选气缸的行程。为便于安装调试,
对计算出的行程要留有适当余量。应尽量选为标准行程,可供货速度,成本降。
工作原理:
根据气缸承担任务的要求来选择气缸的品种。例如要求气缸到达行程终端无冲击现象和撞击噪声,应选缓冲气缸;
如要求重量轻,应选轻型缸;要求安装空间窄且行程短,可选薄型缸;有横向负载,可选带导杆气缸;要求制动精度高,应选锁紧气缸;
气缸处于静止状态,从无杆侧和有杆侧交替输入较使用压力和较高使用压力,
从活塞处(称为内泄露)及活塞杆和管接头处(称为外泄漏)的泄漏流量称为泄漏量。
合格气缸的泄漏量都应小于JIS B 837标准规定的指标。
外泄漏不得大于3±0.15dmL/min(ANR),内泄漏量不得大于3±0.15DmL/min(ANR)。式中,缸径D和杆径d都以mm计。
选用方法:
气缸的选用在气动使用中经常涉及到,下面是气缸的选型方法和选型步骤。
根据气缸的负载状态,确定气缸的轴向负载力F。
根据负载的运动状态,预选气缸的负载率η。
根据气源供气条件,确定气缸的使用压力P。P应小于减压阀进口压力的85%。
已知F,η和P,对单作用气缸,预设杆径与缸径之比d/D=0.5,根据前面所述气缸理论力的计算公式和负载率计算公式,便可选定缸径D;

为您TJSMC双作用气缸CDQ2A50-40DZ
021-39526589
网址:www.qiant.net
地 址:上海市嘉定区嘉涌路99弄
6号楼713室