企业QQ:2880626087
手机: 15308020014
电话: 028-84634436-8004
传真: 028-84634436-8007
邮箱: 15308020014@163.com
联系人:王倩
类型描述:
压缩空气用的保养设备可满足单一设备的需求 过滤-脱水机 薄膜-压力调
节阀 油雾器 压力计 断流阀 起动阀 截止阀 过滤器 活性碳过滤器 共
同组成
实物图:

安装方法:
过滤器排水有压差排水与手动排水二种方式。手动排水时当水位达到滤
芯下方水平之前必须排出。
压力调节时,在转动旋钮前请先拉起再旋转,压下旋转钮为定位。旋转
均匀地调至所需压力值,不应一步调节到位。
给油器的使用方法:给油器使用JIS K2213输机油(ISO Vg32或同级用油)
钮向右为调高出口压力,向左旋转为调出口压力。调节压力时应逐步
。加油量请不要过杯子八分满。数字0为油量小,9为油量较大。自
9-0位置不能旋转,须顺时针旋转。
型号:
011494
011496
011689
011691
011710
011714
011715
011728
011736
011737
011739
011740
011744
011747
011753
011760
011766
011767
011420
011426
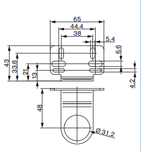
尺寸图:

011431
011825
011863
011880
011896
011901
011934
011935
011937
011938
011939
011940
011941
011946
011947
011954
011955
011957
011958
011959
011962
011964
011965
011976
011504
011515
011529
011573
011589
011622
011623
011624
011635
011636
011638
011678
011977
011980
011983
011985
011999
012004
012005
012011
012016
012023
011440
011443
011444
011446
011447
011448
011450
011460
011462
011464
011465
011469
011470
011476
011477
011488
011491
011492
011770
011774
011789
011497
011503
011680
011681
011685
011688
021-39526589
网址:www.qiant.net
地 址:上海市嘉定区嘉涌路99弄
6号楼713室