AVENICS紧凑迷你气缸R480643796的中文资料
企业QQ:2880626087
手机: 15308020014
电话: 028-84634436-8004
传真: 028-84634436-8007
邮箱: 15308020014@163.com
联系人:王倩
技术数据:
环境温度范围 0 ... 60 °C
导向台 铝材, 阳极氧化处理
导轨 钢, 淬火的
对中环 不锈钢
介质 压缩空气
滚珠轴承导向装置 带一体化“高性能”滚珠导轨导向系统
双活塞 配有双活塞
实用原则 双作用式
压缩空气中的含油量 0 ... 1 mg/m³
缓冲 弹性金属末端挡块
磁性销钉 带磁性活塞
活塞直径 12 mm
颗粒大小 max. 5 µm
实物图:

局部补焊的方法:
由于汽缸结合面被蒸汽冲刷或腐蚀出沟痕,选用适当的焊条把沟痕添平,
用平板或平尺研出痕迹,研刮焊道和结合面在同一平面内。汽缸结合面变
间隙。此操作的工艺也很简单,焊前预热汽缸至150℃,然后在室温下进
行分段退焊或跳焊。选用奥氏体焊条,如A407、A412,焊后用石棉布覆
形较大或是漏汽严重时,在下缸的结合面补焊一条或两条10-20mm宽的
密消除间隙封带,然后用平尺或是扣上缸测量,并涂红丹研刮,直到消除
盖保温缓冷。待冷却室温后进行打磨修刮。
型号:
5813723720
5813730000
5813791430
5813791440
5813791450
5813791530
5813791540
5813791650
5813792190
5813792430
5813792440
5813792450
5813792530
5813792540
5813792650
5813793190
5813793430
5813722100
5813722200
5813722300
5813722400
5813722500
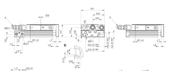
尺寸图:


5813722600
5813722710
5813722720
5813723000
5813723100
5813723200
5813723300
5813723400
5813723500
5813723600
5813723710
5813793440
5813793450
5813793530
5813793540
5813793650
5813731000
5813740000
5813741000
5813780000
5813781000
5813790190
5813790430
5813790440
5813790450
5813790530
5813790540
5813790650
5813791190
AVENICS紧凑迷你气缸R480643796的中文资料
021-39526589
网址:www.qiant.net
地 址:上海市嘉定区嘉涌路99弄
6号楼713室