优质NORGREN短行程气缸RM/92032/M/40重要资料
企业QQ:2880626087
手机: 15308020014
电话: 028-84634436-8004
传真: 028-84634436-8007
邮箱: 15308020014@163.com
联系人:王倩
特征:
基本行程是相同缸径的ISO/VDMA
标准气缸的三分之一
摩擦,长寿命密封设计
完全耐腐蚀设计
磁性活塞为标准配准
实物图:

产品信息:
介质: 压缩空气
接口尺寸: G1/8
驱动: 双作用
理论力: 362 N
密封: 聚氨酯
驱动: 双作用
行程: 40 mm
接口尺寸: G1/8
缸径: 32 mm
材料 - 活塞杆: 不锈钢(奥氏体)
工作压力: 1 ... 10 bar
工作温度: -5 ... 80 °C
公司简介:
NORGREN诺冠是世界的气动产品制造和,为全球客户提供气
动和流体控制解决方案。诺冠公司通过精选的网络及通过遍布全世
界26个国家,16000多名员工的网络,供应全系列的气动控制和
销售技术咨询,专门的应用指导,各个层面的技术支持以及在当地进行常
规产品的加工。2006诺冠集团公司销售增长率为13%,占IMI集团的
自动化产品,均持有ISO9001的质量标准证书。可确保客户从诺冠这一可
成千上万种特殊的产品,以满足客户的特定要求,遍布26个国家的公
司在当地均能为客户提供包括气动控制回路设计,气动技术和产品问题的
信赖的那里即能采购到所需要的气动产品。同时,诺冠每年设计并
37%,而诺冠的销售增长率为22%。
型号:
8273600.9151.23050
8273603.9150.00000
8273700.9151.23050
8274000.9100.00000
8274002.9101.02400
8274200.4670.11000
8274200.9100.00000
8288400.9650.02400
8288400.9651.02400
8288461.9650.02400
8288474.9650.02400
8290300.0000.00000
8290400.0000.00000
8273401.9100.00000
8273403.9101.02400
8273403.9136.02400
8273414.9101.02400
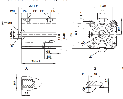
尺寸图:

8274300.9100.00000
8274400.9300.99999
8274414.9101.02400
8286651.9303.02400
8287054.0000.00000
8287154.0000.00000
8287254.0000.00000
8287354.0000.00000
8288200.9615.02400
8288200.9638.02400
8288200.9650.02400
8288200.9651.02400
8288260.9650.02400
8288260.9668.02400
8288261.9638.02400
8290401.0000.00000
8290600.0000.00000
8290700.0000.00000
8296300.8171.02400
8296300.8171.02450
8296300.8171.11050
8296300.8171.23050
8296300.8176.02400
8296300.8176.02450
8296300.8176.12060
8296300.8186.02400
8274200.9300.99999
8274201.9101.02400
8274202.9136.02400
8274214.9101.02400
8274214.9116.11050
8274217.9101.02400
8273300.9100.00000
8273300.9101.02400
8273300.9101.02450
8273300.9101.23050
8273301.9101.02400
8273303.4680.02400
8273303.9101.02400
8273314.9101.02400
8273314.9101.23050
8273367.9101.02400
8273400.9100.00000
8273400.9101.02400
8273400.9101.02450
8273400.9101.11050
8273400.9101.23050
8273400.9136.02400
8288262.9615.02400
8288300.9615.02400
8288300.9650.02400
8288400.9615.02400
021-39526589
网址:www.qiant.net
地 址:上海市嘉定区嘉涌路99弄
6号楼713室