
简介:
二位五通电磁阀是用来控制流体的自动化基础元件,属于执行器;并不限于
液压,气动。电磁阀用于控制液压流动方向,的机械装置一般都由液
阀体的移动来档住或漏出不同的排油的孔,而进油孔是常开的,液压油就
会进入不同的排油管,然后通过油的压力来推动油缸的活塞,活塞又带动
压缸控制,所以就会用到电磁阀。 电磁阀的工作原理,电磁阀里有密闭的
面是两块电磁铁,哪面的磁铁线圈通电阀体就会被吸引到哪边,通过控制
活塞杆,活塞杆带动机械装置运动。这样通过控制电磁铁的电流就控制了
腔,在的不同位置开有通孔,每个孔都通向不同的油管,腔中间是阀,两
机械运动。
实物图:

分类:
纵观国内外电磁阀,到目前为止,从动作方式上可分为三大类即:直动式、
供了这种灵活性。这种阀在流体动力领域被称为"五孔口型四通阀"。这种
反冲式、先导式,而从阀瓣结构和材料上的不同以及原理上的区别反冲式
膜片电磁阀、先导式活塞电磁阀;从阀座及密封材料上分又可分为:软密封电
磁阀、钢性密封电磁阀、半钢性密封电磁阀。
当气动系统变得更为复杂时,就需要气动阀更大的适应性,而此种阀就提
又可分为:膜片式反冲电磁阀、活塞式反冲电磁阀;先导式又可分为:先导式
阀是利用一个共同的入口压力源和两个排气口,这就允许排气从阀的每个
出口进行单独的控制。
型号:
MDBB32-700Z ,
MDBB40-50Z ,
MDBB40-60Z ,
MDBB40-100Z ,
MDBB40-125Z ,
MGPA25-50Z ,
MGPA25-75Z ,
MGPA32-50Z ,
MGPA32-75Z ,
MGPA40-25Z ,
MGPL16-10Z ,
MGPL16-20Z ,
MGPL20-20Z ,
MGPL20-75Z ,
MGPL25-20Z ,
TU1065BU-100 ,
TU1208B-100 ,
TU1208BU-100
SS5Y5-20-08 ,
SS5Y7-20-04 ,
SS5Y7-20-08 ,
SS5Y7-20-10 ,
SS5Y7-20-12
JA15-6-100 ,
JA20-8-125 ,
MDBB40-200Z ,
MDBB40-600Z ,
MDBB63-100Z,
MDBT80-100Z ,
MGPA20-20Z ,
MGPA20-30Z ,
MGPA20-40Z ,
MGPA25-20Z ,
MGPA25-30Z ,
MGPA25-40Z ,
JA30-10-125 ,
JA40-14-150 ,
JA63-18-150
KK130P-03MS ,
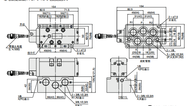
尺寸图:

KK130S-10H ,
KQ2H04-01AS ,
KQ2H06-01AS ,
KQ2H06-M5AS ,
KQ2H06-M6AS ,
KQ2H08-01AS
MGPL40-25Z ,
MGPM20-40Z ,
MGPM20-50Z ,
MGPM20-75Z ,
MGPM25-20Z ,
MGPM40-25Z ,
MGPM40-50Z
MHC2-16D ,
MHL2-20D ,
MHS3-32D
MHW2-25D1 ,
MHY2-10D ,
MHZ2-10DN ,
MHZ2-10S2M ,
MHZ2-16S1M ,
KQ2H08-02AS ,
KQ2H10-02AS ,
KQ2H10-03AS ,
KQ2H16-04AS ,
KQ2L04-M5A ,
KQ2L08-01AS
MGPL25-40Z
MGPL25-50Z ,
MGPL25-75Z ,
MGPL25-100Z ,
MGPL25-125Z ,
MGPL32-75Z ,
MGPL32-100Z ,
MHZ2-16S2M ,
MHZ2-16S3M ,
MHZ2-20D ,
MHZ2-20D1
021-39526589
网址:www.qiant.net
地 址:上海市嘉定区嘉涌路99弄
6号楼713室