优质阿斯卡ASCO电磁阀E262K020S0N00FL的资料

产品信息:
黄铜
身体材料
轻油;空气,惰性气体;水
媒体类型
电磁阀 - 直接作用
阀门驱动
24 AC
电压
较高环境温度55.00 C
较环境温度-25.00 C
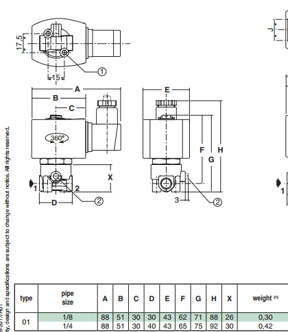
1/4
管道尺寸
较高流体温度80.00 C
较流体温度-25.00 C
2/2常闭
功能
实物图:

分步直动式电磁阀:
原理:它是一种直动和先导式相结合的原理,当入口与出口没有压差时
腔压力上升,上腔压力下降,从而利用压差把主阀向上推开;断电时,
,通电后,电磁力直接把先导小阀和主阀关闭件依次向上提起,阀门打
开。当入口与出口达到启动压差时,通电后,电磁力先导小阀,主阀下
先导阀利用弹簧力或介质压力推动关闭件,向下移动,使阀门关闭。
型号:
SCG531D002MS,
EFHT8223G010V,
43004417,
WBIS8551A301,
SCE238B108,
SCG356A002VMS,
8342G003P,
SCB327A001,
SC8327B001,
34900030,
26490026,
NFG353A044,
EF8551A001MS,
238714-006-D,
8320G186,
238610-058-D,
EFG551B417,
EF8327G041,
HT8316G66,
EF8320G1,
8320G174,
EF8320G186,
SCG551A001MS,
SCG553A017,
EF8210G34,
EFG551A001MS,
EF8210G094,
NFG551B401MO,
XE290A067SM2,
E290B049SM2,
E290B049,
NFETB307B065F,
EFG353A047,
SC8551A001MS,
35500042,
43004189,
SCG531A001MS,
NFB327A101,
NF8327B101,
SCB307A305U,
尺寸图:

WBIS8314A300,
EF8210G054,
EF8316G364,
SCXG327B001,
8210D89,
SCG551A002MS,
400915-017,
NF8327B012,
EF8320G203,
NFG353A047,
57000103,
57000012,
57000014,
57000016,
SCE210B078,
SCB370A012,
400425-142,
EF8327G001,
HB8320G174,
8320G172,
8342G003MS,
SCXE238A010,
54191023,
54292023,
238210-058-D,
EF8210G002,
NFB320B174,
NF8327B001MS,
JE4-8316G14V,
JE4-8316G16V,
EFHT8210G38,
266762-903-D,
8320G184,
238410-058-D,
WBIS8316A301,
K302379,
EF8327G041,
55102009,
NFG553A305,
J215G23,
8262G011V,
8266D077L,
EV8345G81,
WFHB8342C3,
WPHB8342C3,
NFB327A111,
NF8327B111,
NFB307B075F,
WBIS8344A380,
优质阿斯卡ASCO电磁阀E262K020S0N00FL的资料
021-39526589
网址:www.qiant.net
地 址:上海市嘉定区嘉涌路99弄
6号楼713室