
技术数据:
黄铜
身体材料
轻油;水;空气,惰性气体
媒体类型
较高环境温度55.00 C
较环境温度-25.00 C
2/2常闭
功能
1/4
管道尺寸
较高流体温度80.00 C
较流体温度-25.00 C
电磁阀 - 直接作用
阀门驱动
24 DC
电压
实物图:

说明:
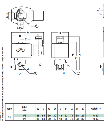
电磁阀可以安装在任何位置而不会影响操作
电磁阀有2个安装孔
适用于1/4的螺纹连接“E”具有符合ISO 228/1和ISO 7/1标准的螺纹
螺纹连接“8”具有标准螺纹= NPT(SAE 71051)
螺纹连接“H”具有1/2“雄性'G'螺纹,符合BS 2779标准,带帽螺母
。 螺纹连接“G”适用
对于1/8,根据ISO 228/1标准螺纹
和橄榄色
每个阀门都附带安装/维护说明
型号:
EFG551H417
VCEF551H401MO
VCEF551H417
VCEF551G301
WSNF8327B102
SCG551A001MS
EFG551A001MSSCG353A047 24DC
SCG353A044 24DC
EF8320G186 24DC
EF8320G174 24DC
ASCO SCG353A044 24VDC
ASCO VCEFG551H417 230/50
NF8551A321 24VDC
EF8320G200 220VAC
EF8320G186MO 24VDC
VCEFCMG551H401MO 220VAC
EF8551G322MO 24DC
SCXE353.060 24VDC
SCG551A002MS 220/AC
SCG531C002MS 220/AC
EF8320G200通用完全代替EF8320G202
SCG531C018MS
CG531C017MS
L23BA452BG00061
WSNF8327B002 220/AC
WSNF8327B012 220/AC
SCG353A044
SCG353A047
SCG353A047
SCXE353.060
SCG551A001MS
ASCO EFG353a044 220/50
ASCO EFG353a044 24VDC
ASCO SCG353A050 220VAC
NF8327B112 24VDC
J34BB452CG60S40
8320G174 220VAC
L12BB452OG00040
SCXE353.60
EFG551H417 24VDC
SCG551A001MS 230VAC
EFG551A001MS
VCEF8551G401MO
尺寸图;

SCG353A044 24VDC
EFG551H401MO DC24V
SCG353.051 DC24V
SCXE238A005
EFG551A002MS
WBISG551A301MO(WBISG551H301MO)
SCE238A005 AC220V
ASCO SCG551A001MS 24VDC
ASCO SCG551A001MS 220VAC
ASCO EFG551H401MO 220VAC
ASCO SCG551A002MS 24VDC
ASCO SCG551A002MS 220VAC
ASCO C113827
ASCO C113685
ASCO C113444
ASCO EFG551H417 24VDC
ASCO EFG551H401MO 24VDC
ASCO SCG531D001MS
ASCO K302661
G551A001MS
G551B401MO
EFG551H401M0
SCG551A001MS
SCG551A002MS
EFG551A001MS
SCG553A018MS
NF8327B112
ASCO EF8321G1 24DC
ASCO 8342G001 220/50
ASCO 8262G019
EFG551H401MO 24DC
EFG551H417
VCEF551H401MO
VCEF551H417
VCEF551G301
WSNF8327B102
SCG551A001MS
EFG551A001MS
021-39526589
网址:www.qiant.net
地 址:上海市嘉定区嘉涌路99弄
6号楼713室