
技术参数:
实用原则 单作用式,不受压缩回
缓冲 弹性
磁性销钉 带磁性活塞
活塞直径 25 mm
环境温度范围 -20 ... 80 °C
介质温度范围 -20 ... 80 °C
介质 压缩空气
颗粒大小 max. 50 µm
活塞杆螺纹 M6
标准化 ISO 21287
行程 25 mm
密封件材料 聚氨酯
实物图:

结合面加垫的方法:
如果结合面的局部间隙泄漏不是很大,可用80-100目的铜网经热处
理使其硬度降,然后剪成适当的形状,铺在结合面的漏汽处,再配
开宽50mm深5mm的槽,中间镶嵌IGr18Ni9Ti的齿形垫,齿形垫的
以汽缸密封剂。如果结合面的间隙较大,泄漏严重,可在上下结合面
厚度一般比槽的深度大0.05-0.08mm左右,并可用同等形状的不锈
钢垫片做以调整。
型号:
R412014619
R412014620
R412014621
R412014622
R412014623
R412014624
R412014644
R412014645
R412014646
R412014647
R412014648
R412014649
R412014650
R412014651
R412014652
R412014653
R412014654
R412014655
R412014656
R412014657
R412014658
R412014659
R412014660
R412014700
R412014701
R412014662
R412014663
R412014664
R412014665
R412014666
R412014668
R412014669
R412014670
R412014671
R412014672
R412014673
R412014674
R412014675
R412014676
R412014677
R412014678
R412014661
R412014709
R412014710
R412014711
R412014712
R412014713
R412014714
R412014715
R412014716
R412014717
R412014718
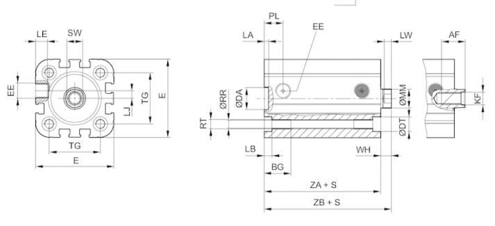
尺寸图:


R412014719
R412014720
R412014721
R412014627
R412014628
R412014629
R412014630
R412014631
R412014632
R412014633
R412014634
R412014635
R412014636
R412014637
R412014638
R412014722
R412014723
R412014724
R412014725
R412014726
R412014727
R412014728
R412014729
R412014730
R412014731
R412014683
R412014684
R412014685
R412014686
R412014687
R412014688
R412014689
R412014690
R412014691
R412014692
R412014693
R412014694
R412014695
R412014696
R412014625
R412014626
R412014639
R412014640
R412014641
R412014642
R412014643
R412014697
R412014698
R412014699
R412014679
R412014680
R412014681
R412014682
021-39526589
网址:www.qiant.net
地 址:上海市嘉定区嘉涌路99弄
6号楼713室