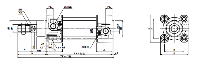
日本SMC气缸C96SDB125-315

工作原理:
根据工作所需力的大小来确定活塞杆上的推力和拉力。由此来选择气
增大,造成能源浪费。在夹具设计时,应尽量采用增力机构,以减少
缸时应使气缸的输出力稍有余量。若缸径选小了,输出力不够,气缸
不能正常工作;但缸径过大,不仅使设备笨重、成本高,同时耗气量
气缸的尺寸。
常见故障:
气缸的输出力不足和动作不平稳,一般是因活塞或活塞杆被卡住、润
应调整活塞杆的中心;检查油雾器的工作是否;供气管路是否被堵
滑不良、供气量不足,或缸内有冷凝水和杂质等原因造成的。对此,
塞。当气缸内存有冷凝水和杂质时,应及时。
实物图:


型号:
AC30-02D-T-R
AC30-02E
AC30-02G-SV
AC30-03
AC30A-03DE-B
AC30A-03DE-S
AC30A-03DE-V-12
AC30A-03DE-V12B
AC30A-03DG-8
AC30A-03E
AC30A-03E1
AC30A-03E-B
AC30A-03G
AC30A-F02
AC30A-F02D
AC30A-F02E
AC30A-F03
AC30A-F03D
AC30A-F03D-2R
AC30A-F03DE
AC30A-F03E
AC30A-N02D-A
AC30A-N03DE
AC30A-N03G-Z
AC30B-02CE
AC30-03-6
AC30-03-6-A
AC30-03-A
AC30-03-B
AC30-03C
AC30-03CE
AC30-03CE-B
AC30-03D
AC30-03D-8R
AC30-03D-A
AC30-03DE
AC30-03DE-2
AC30-03DE-8R
AC30-03DE-B
AC30-03DE-S
AC30-03DE-V
AC3040-02-R
AC3040-03
AC3040-03D
AC3041-02DG
AC309003886(AC)
AC309003DX1062B
AC30-03DG-V-W
AC30-03D-R
AC30-03E
AC30-03G-V
AC30-03G-V-23
AC30-03-KV-W
AC30-03-KV-W-A
AC30-03-RW
AC30B-03-W-A
AC30B-N03GSV12R
AC30C-02
AC30C-02-A
AC3090-03-X853
AC3090-03-X886
AC30A-02
AC30A-02-6
AC30A-02-A
AC30A-02C
AC30A-02CG
AC30A-02CG-K-2R
AC30A-02D
AC30A-02D-A
AC30A-02DE-B
AC30A-02E
AC30A-02G
AC30A-03
AC30-03DG-KV
AC30-03DG-SV
AC30C-02D
AC30C-02DE
AC30C-02E
AC30C-02E-V
AC30C-02G-SV-A
AC30C-02-U1N01
AC30C-03
AC30C-03CE
AC30C-03CG-V
AC30C-03D
AC30C-03DG-S
AC30C-03DG-SV-2
AC30C-03D-R
AC30C-03D-SV-2
AC30C-03E
AC30D-02
AC30D-02C-12R
AC30D-02C-A
AC3010-02
AC3010-02D
AC3010-03
AC3010-03C
AC3010-03D
AC3010-03DG-12
日本SMC气缸C96SDB125-315
021-39526589
网址:www.qiant.net
地 址:上海市嘉定区嘉涌路99弄
6号楼713室