高性优质SMC液压缓冲器RBC2015

工作原理:
当液压缓冲器受到碰撞压力时,动能经塞头和加速弹簧转给活塞,使
其向右运动。原来缓冲器工作腔内装有一个复位弹簧、顶杆以及油液
顶杆的圆柱形阶段后,环形间隙为零,阻力也稳定于较大值。缓冲器
被压缩的过程是通过活塞挤压油液做功的过程。这一过程消耗了
。活塞的运动挤压工作腔内的油液,使其复位弹簧压缩,同时使油液
动时,由于与顶杆之间的环形间隙较大,油液容易被挤出;在活塞继
续运动时中,这一环形间隙变得越来越小,即活塞阻力不断增大,到
从活塞与顶杆之间的环形间隙挤压出来,进入贮油腔。在活塞开始运
动能,起到缓冲作用。当工作完毕,活塞被复位弹簧推至原始位置,
完成一个工作循环。
实物图:

型号:
ACG30C-03G1
ACG30D-02DG1
ACG30D-03G1
RB2015-X552
RB20C
RB20J
RB20S
RB20-X331
RB2725
RB2725S
ACG40-F04DG1
ACNL50-L3944125
ACNL-X2100120FB
RB14-A9534-7
RB14-A9536-7
RB14C
RB14J
RB14S
RB2014
RB2015
RB2015S
RB27C
RB27J
RB27S
RBA0805-X692
RBA1006
RBA1006-X692
ACNL-X2100125FB
ACNL-X2100160FB
ACNLX2100400CBS
ACNLX2100425TAS
RBC08C
RBC08S
RBC1006
RBC1006S
RBC1006-S
RBC1006SJ
RBC1007
RBC1007J
RBC1007S
RBC10C
RBC10S
RBC1411
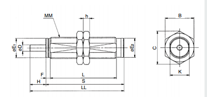
尺寸图:


RBC1411S
RBC1411SJ
RBC1412
RBC1412J
RBC1412S
RBC14C
RBC14S
RBC2015
ACNL-X2-100-PS
ACNLX2100X100FA
ACNLX2100X100TA
ACNLX2100X125CB
RB1007
RB1210
RB1412
RB2015
RB2725
RBC0806
RBC1007
RBC1412
RBC2015
RBC2015
RBC2725
RBC0604
RB0806-S
RBC0806-S
ACNLX2100X160CB
ACNLX2100X160TC
ACNLX2100X315TA
ACNLX2100X350TA
ACNLX2100X425TA
ACNL-X2100X50FB
高性优质SMC液压缓冲器RBC2015
021-39526589
网址:www.qiant.net
地 址:上海市嘉定区嘉涌路99弄
6号楼713室