
技术参数:
电流损耗 [mA] < 35
防护等级 III
输出功能 常开/常闭; (可设定参数)
开关量输出DC电压降较大值 [V] 2.2
感应距离 [mm] 60...800
盲区 [mm] 60
环境温度 [°C] -20...70
外壳防护等级 IP 67
圆柱形孔径角 [°] ±7
检测范围滞后 [mm] < 1
开关量输出DC的持续电流负载 [mA] 100
开关频率DC [Hz] 5
反相保护 是
开机延迟时间 [s] 0.1
实物图:

检测模式:
声波传感器主要采用直接反射式的检测模式。位于传感器前面的被
感器包括一个发射器和一个接收器,两者之间持续保持"收听"。位于
检测物通过将发射的声波部分地发射回传感器的接收器,从而使传感
器检测到被测物。
还有部分声波传感器采用对射式的检测模式。一套对射式声波传
接收器和发射器之间的被检测物将会阻断接收器接收发射的声波,从
而传感器将产生开关信号。
折叠注意事项:
1:为确保性及长使用寿命,请勿在户外或高于额定温度的地方使
用传感器 。
2:由于声波传感器以空气作为传输介质,因此局部温度不同时,分
。因此,不应在通风机之类的设备旁使用传感器。
3:喷气嘴喷出的喷气有多种频率,因此会影响传感器且不应在传感器
界处的反射和折射可能会导致误动作,风吹时检出距离也会发生变化
附近使用。
4:传感器表面的水滴缩短了检出距离。
型号:
IE5336 IEB3002BBPKG/0,185M/PH/AS610RT
IE5338 IEBC003BASKG/AS
IE5353 IEB3002BBPKG/AS
IE5356 IEBC002BASKG/AS-514
IE5358 IEB3002BAPKG/AS-514-TPO/RT
IE5389 IEB31,5-BPKG/4M
IE5390 IEK31,5-BPKG/K1/AS-514-TPS
IE5391 IEK3004-BPKG/K1/AS-514-TPS
IE5339 IEB30,2-BPKG/AS-514-TPS RT
IE5340 IEBC005-ASKG/V4A/AS
IE5341 IEB3002BAPKG/3M/FH RT
IE5343 IEBC003BASKG
IE5344 IEBC003BASKG/0,3M/AS
IE5345 IEBC005-ASKG
IE5427 IEB21,5-BRKG/2M/ZH
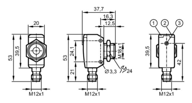
尺寸图:

IE5428 IEK2002BFROG/0,20M/PH/MOLEX
IE5429 IEB21,5BBRKG/UP/ZH
IE5430 IEB3001-BPKG/3M/ZH/RT
IE5431 IEB3002BBPKG/0,55M/ZH/AS
IE5432 IEA2001-FROG/0,38M/PH
IE5433 IEA2001-FROG/0,56M/PH
IE5434 IEK2002BFROG/0,1M/PH
IE5378 IEB3003-BPKG/V4A/3,5M/US RT
IE5379 IEB3002BBPKG/V4A/US
IE5381 IEB3002BBPKG/V4A/US
IE5382 IEB3004-BPKG/V4A/US
IE5385 IEB3001-BPOG/2M/BH/AS
IE5412 IEB31,5-BPKG/AS-514-TPS
IE5413 IEB2001-BROG/3M/BH
IE5369 IEB3004-BPKG/V4A/2M
IE5435 IEK2002BFROG/0,28M/PH
IE5438 IEBC2,8BASKG/1,5M/PH
IE5439 IEB3002BANOG/5M/PH
IE5440 IEBC003BASKG/0,18M/XHP-4
IE5441 IEBC003BASKG/0,78M/XHP-4
IE5442 IEBC003BASKG/6M
021-39526589
网址:www.qiant.net
地 址:上海市嘉定区嘉涌路99弄
6号楼713室