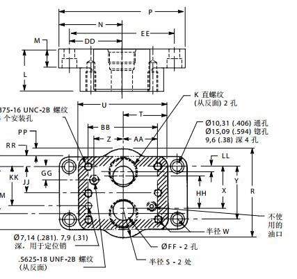
参考DN10,35MPa美国EATOH单向阀
单向阀的控制压力面积和座阀面积之比
必须大于液压缸活塞和环形面积之比。
否则,阀将打不开,不能反向流动。例
如,如果液压缸的活塞与环形面积之比
是2:1,阀必须有更大 (3:1) 的比例


单向阀越大,或液压缸差动面积越大,
阀的比例可能难以实现。对这些情况,
可以使用开启比例为30:1或更大的减压
阀能够使用抗磨液压油或符合S AE J183
JUN89的汽车曲轴箱油(标记S C、SD、
S E S F或SG)。难燃的液压液也能够使用,
但是可能要求使用特殊密封件,见下面
TJ的油液粘度范围是32 cS t(150 SUS )
和48,5 cS t (225 S US )之间在38 C (100
F )下。
液压油液
系统压力等级
使用矿物油的清洁度代号
直通单向阀没有弹性密封件,所以能用
于矿物油或难燃液压液。在其他的威格
士单向阀中除了一些下面说明的液控型
外,丁腈橡胶是标准型,这些密封件适
合用于矿物油和水乙二醇以及油包水乳
化液。
合成的难燃液压液要求使用氟橡胶密封
件,在型号编法中“F 3”前缀标记。这些
密封件在液控的4C S 和4C T型号中是标
准型,所以不需要加前缀。
阀的安装位置没有限制,因为弹簧关闭
C2-8**
C2S -8**
C5G-805
C5G-815/825
DS 8P 1
DT8P 1
4CG-03
4CG-06
4CG-10
4CS /4CT-03
4CS /4CT-06
4CS /4CT-10
图纸号
I-0632-S
I-3612-S
I-3582-S
I-3578-S
I-0953-S
I-0953-S
I-3579-S
I-3580-S
I-3581-S
I-3681-S
I-3682-S
I-3683-S
参考DN10,35MPa美国EATOH单向阀
021-39526589
网址:www.qiant.net
地 址:上海市嘉定区嘉涌路99弄
6号楼713室