较新报价美国VICKERS手动换向阀,XCG2V-6FW-10
规格:
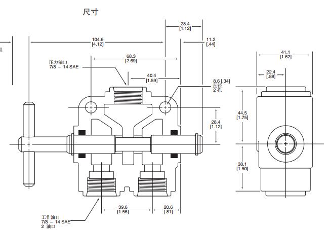
额定进口流量 113.6 L/min. [30 GPM]
额定压力 172.4 bar [2500 PSI]
质量 3.2 kg. [7.0 lbs.]
喷漆 底漆
注:当溢流阀腔孔 16A 装上溢流阀时,油口“A”必须连接到油箱,油
口“B”则作为压力油口去控制阀或马达。

工作原理:

二位、二通或三通插入式换向阀用于马达回路的开关,用
于加料器和输送器的控制,和用于捕鱼起网滚筒。由于对
操纵手柄的力要求,通常工作压力是 104 bar [1500 PSI],
但是阀在任何设定位置上可以使用在 207 bar [E300ps2]
压力下,阀可以管式安装或者板式安装在 Char-Lynn H
和 S 系列马达上。
较新报价美国VICKERS手动换向阀,XCG2V-6FW-10
021-39526589
网址:www.qiant.net
地 址:上海市嘉定区嘉涌路99弄
6号楼713室