
■使用可见红光,可轻松对准
■用于卫生应用的版本
■用于检查运行、开关状态和功能的 LED 显示
■安装中进行的设定过程节约时间和成本
■系统组件,可轻松和安全地安装
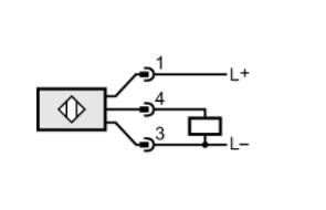
电气输入图:

技术数据:
重量 [g]63.4
外壳螺纹结构
尺寸 [mm] M18 x 1 / L = 72
螺纹代号M18 x 1
原材料不锈钢(1.4404 / 316L); PA; LCP; EPDM; TPU
透镜材料
PMMA
显示器/操作件
开关状态1 x LED, 黄色
附件(附送)
固定螺母: 2 x
按照cULus工作电压"电源级2"
包装单位1 件数
接口接插件: 1 x M12
应用范围:
环境温度 [°C]-25...80
外壳防护等级IP 67
/测试
EMC电磁兼容
EN 60947-5-2
MTTF [年] 431
工作电压 [V]10...36 DC
电流损耗 [mA]20
防护等级II
反相保护是
光线种类红光
波长 [nm] 624
电气设计 PNP
输出功能 亮通和暗通模式; (可选)
开关量输出DC电压降较大值 [V] 2.5
开关量输出DC的持续电流负载 [mA]150; (200 (...60 °C))
开关频率DC [Hz]2000
短路保护 是
短路保护类型脉冲
过载保护 是
棱镜反射镜的检测距离 [m]0.03...5; (棱镜反射镜 Ø 80 E20005)
$Dunkelschaltung
检测距离可设是
光斑直径较大值 [mm] 200
光点尺寸参考在较大的检测距离
021-39526589
网址:www.qiant.net
地 址:上海市嘉定区嘉涌路99弄
6号楼713室