
:
☆快速安装无须校准变送器和接收器
☆准确的光束穿过整叉宽度
☆金属外壳可减少变形
☆可通过旋转开关选择亮通/暗通模式
☆通过电位计可轻松进行灵敏度设定
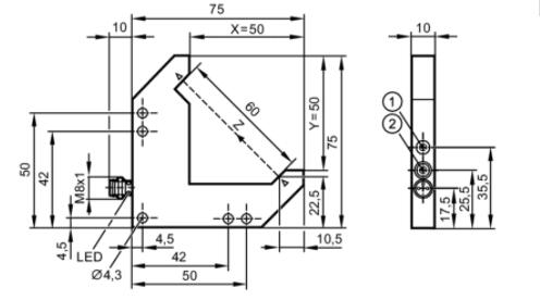
尺寸图:

1电位计灵敏度
2输出功能开关
适用范围:
环境温度 [°C]-25...60
外壳防护等级IP 67
/测试
EMC电磁兼容
EN 60947-5-2
MTTF [年] 572
重量 [g] 115
尺寸 [mm] 75 x 10 x 75
侧面长度X [mm]50
侧面长度Y [mm]50
传感器宽度Z [mm]60
原材料外壳: 模压铸锌 黑色铝阳极氧化处理; 透镜: 玻璃
显示器/操作件
开关状态 1 x LED, 黄色
包装单位 1 件数
接口接插件: 1 x M8
工作电压 [V]10...35 DC
电流损耗 [mA]< 30
防护等级 III
反相保护 是
光线种类 红光
电气设计 PNP
输出功能 亮通和暗通模式; (可选)
开关量输出DC电压降较大值 [V] 2.8
开关量输出DC的持续电流负载 [mA]200
开关频率DC [Hz]4000
短路保护 是
短路保护类型脉冲
过载保护 是
小的可识别物体直径 [mm]0.5
021-39526589
网址:www.qiant.net
地 址:上海市嘉定区嘉涌路99弄
6号楼713室